EasyManua.ls Logo

Marathon Electric DVR 2000E+ - Page 33

Marathon Electric DVR 2000E+
72 pages
Print Icon
To Next Page IconTo Next Page
To Next Page IconTo Next Page
To Previous Page IconTo Previous Page
To Previous Page IconTo Previous Page
Loading...
31
5
Installation
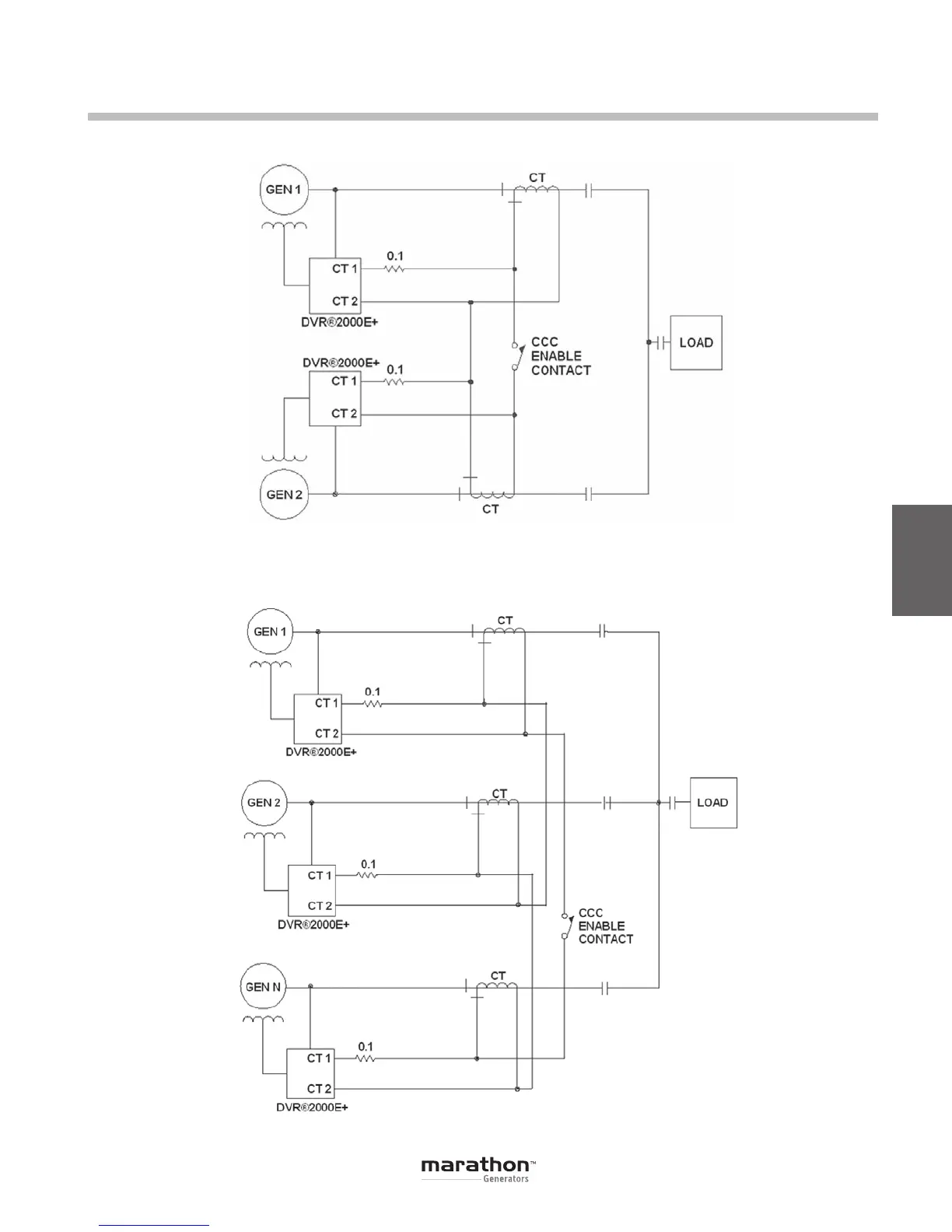
Figure 5-12. Cross-Current (Reactive Differential) Connections for Two Generators
Figure 5-13. Cross-Current (Reactive Differential) Connections for Three or More Generators
GPN046 04-13.indd 31 4/5/13 10:24 AM

Other manuals for Marathon Electric DVR 2000E+

Related product manuals