EasyManua.ls Logo

Marathon TS 910 - Page 56

Marathon TS 910
64 pages
Print Icon
To Next Page IconTo Next Page
To Next Page IconTo Next Page
To Previous Page IconTo Previous Page
To Previous Page IconTo Previous Page
Loading...
TS 910 TRANSFER SWITCH
PM140 REV 2 14/01/23 50 Thomson Power Systems
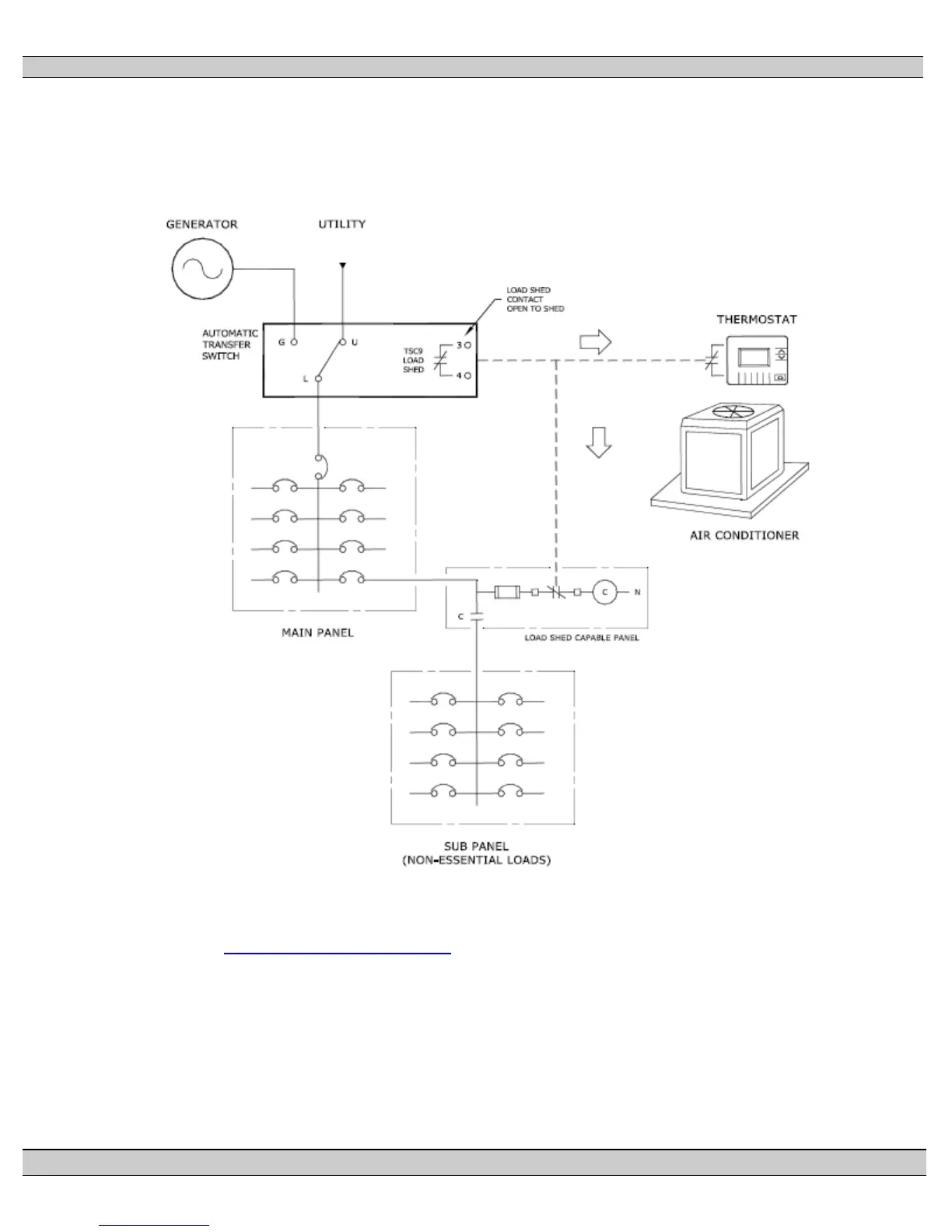
For controlling loads that do not have integral control inputs, suitably rated AC power
contactor panels must be used for interconnection with the Load Shed contact. Refer to
following typical connection example:
Additional information on TS 910 kW Load shed optional accessory can be obtained from our
Website (
www.thomsontechnology.com).

Table of Contents