EasyManua.ls Logo

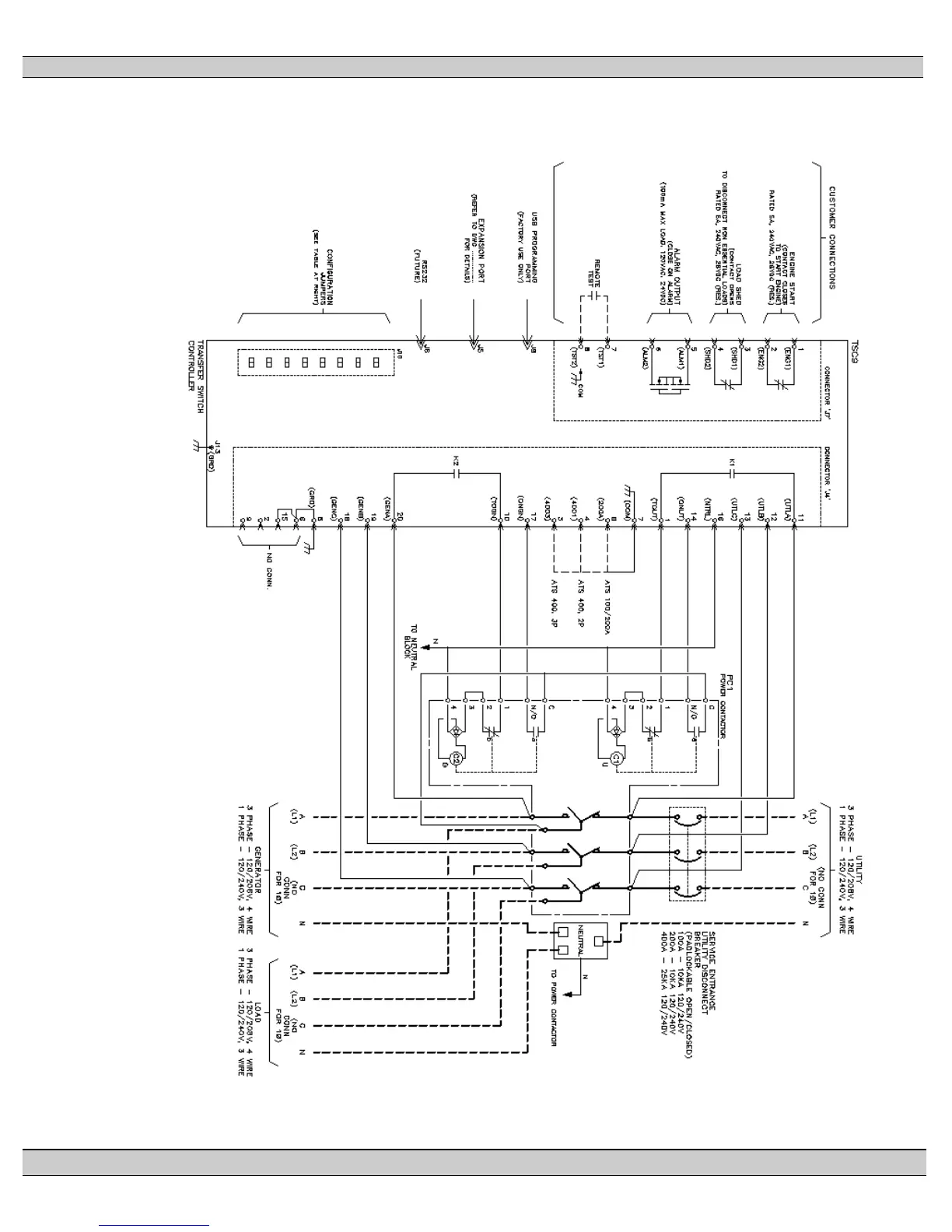
Marathon TS 910 - 19 TS 910 SCHEMATIC DIAGRAM

Marathon TS 910
64 pages
Print Icon
To Next Page IconTo Next Page
To Next Page IconTo Next Page
To Previous Page IconTo Previous Page
To Previous Page IconTo Previous Page
Loading...
TS 910 TRANSFER SWITCH
PM140 REV 2 14/01/23 51 Thomson Power Systems
19 TS 910 SCHEMATIC DIAGRAM

Table of Contents