EasyManua.ls Logo

Matrox 4Sight EV6 - Page 42

Matrox 4Sight EV6
116 pages
Print Icon
To Next Page IconTo Next Page
To Next Page IconTo Next Page
To Previous Page IconTo Previous Page
To Previous Page IconTo Previous Page
Loading...
42 Chapter 2: Getting started with your Matrox 4Sight EV6 unit
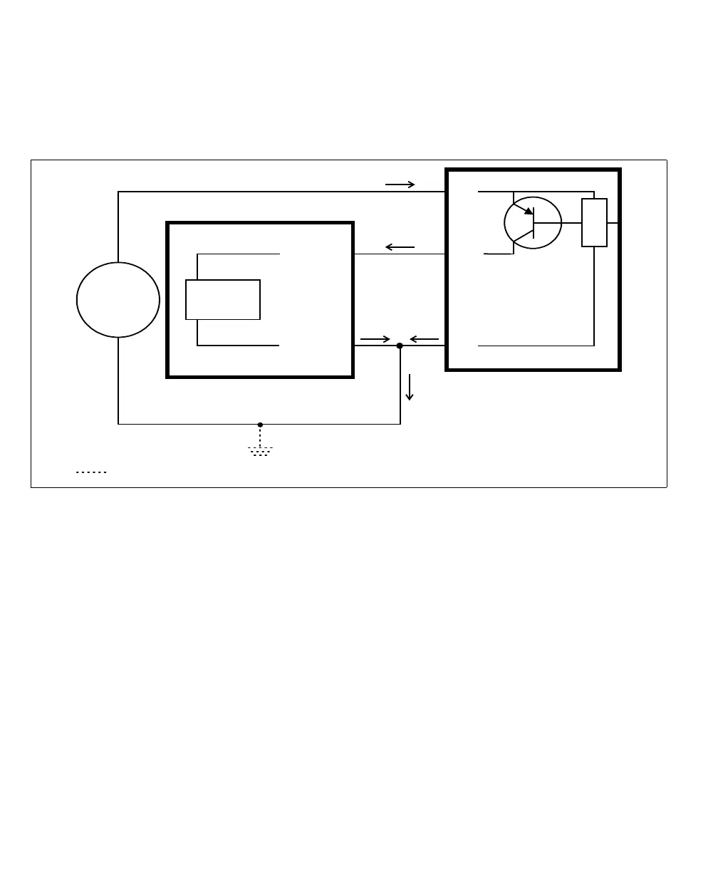
Connecting a sourcing output device to an auxiliary input signal
Connect a sourcing output device to Matrox 4Sight EV6 auxiliary input signal,
as shown below.
Equivalent circuit only
Optional because the auxiliary input signals are electrically isolated.
24V
Sensing
Circuit
AUX INn+_
AUX INn-_
OUT
Device with a
sourcing output
Matrox 4Sight EV6
in a sinking configuration
+
-
+V
-V

Table of Contents