EasyManua.ls Logo

Maxon EPOS4 Disk 60/12 - Page 35

Maxon EPOS4 Disk 60/12
80 pages
Print Icon
To Next Page IconTo Next Page
To Next Page IconTo Next Page
To Previous Page IconTo Previous Page
To Previous Page IconTo Previous Page
Loading...
Setup
Connections
EPOS4 Disk 60/12 Hardware Reference
CCMC | 2022-05 | rel10685
3-35
Table 3-32 Differential encoder specification
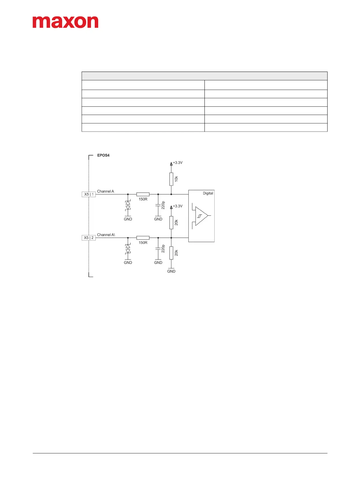
Figure 3-21 Encoder input circuit Ch A “differential” (analogously valid for Ch B, Ch I, and X5/X6)
Continued on next page.
Encoder (differential)
Sensor supply voltage (V
Sensor
)
+5 VDC
Max. auxiliary supply current 70 mA
Min. differential input voltage ±200 mV
Max. input voltage ±12 VDC
Line receiver (internal) EIA RS422 standard
Max. input frequency 6.25 MHz