EasyManua.ls Logo

Mazda premacy - System Diagram

Mazda premacy
50 pages
Print Icon
To Next Page IconTo Next Page
To Next Page IconTo Next Page
To Previous Page IconTo Previous Page
To Previous Page IconTo Previous Page
Loading...
Form No.3351-1A-01A
F1
F1-9
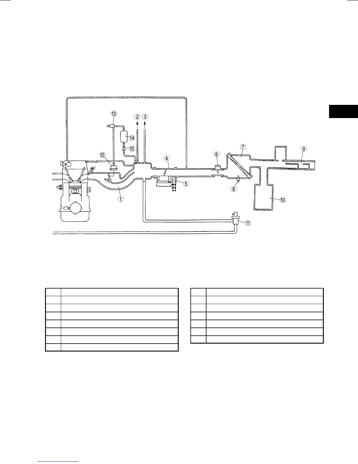
SYSTEM DIAGRAM
1 Intake manifold
2 To PRC solenoid valve
3 To purge solenoid valve
4 Throttle body
5 IAC valve
6 MAF sensor
7 Air cleaner
8 IAT sensor
9 FreshĆair duct
10 Resonance chamber
11 EGR valve
12 VICS shutter valve actuator
13 VICS solenoid valve
14 VICS vacuum chamber (builtĆin intake manifold)
15 VICS check valve (oneĆway)

Related product manuals