EasyManua.ls Logo

McHale W2020 - Page 50

McHale W2020
82 pages
Print Icon
To Next Page IconTo Next Page
To Next Page IconTo Next Page
To Previous Page IconTo Previous Page
To Previous Page IconTo Previous Page
Loading...
50
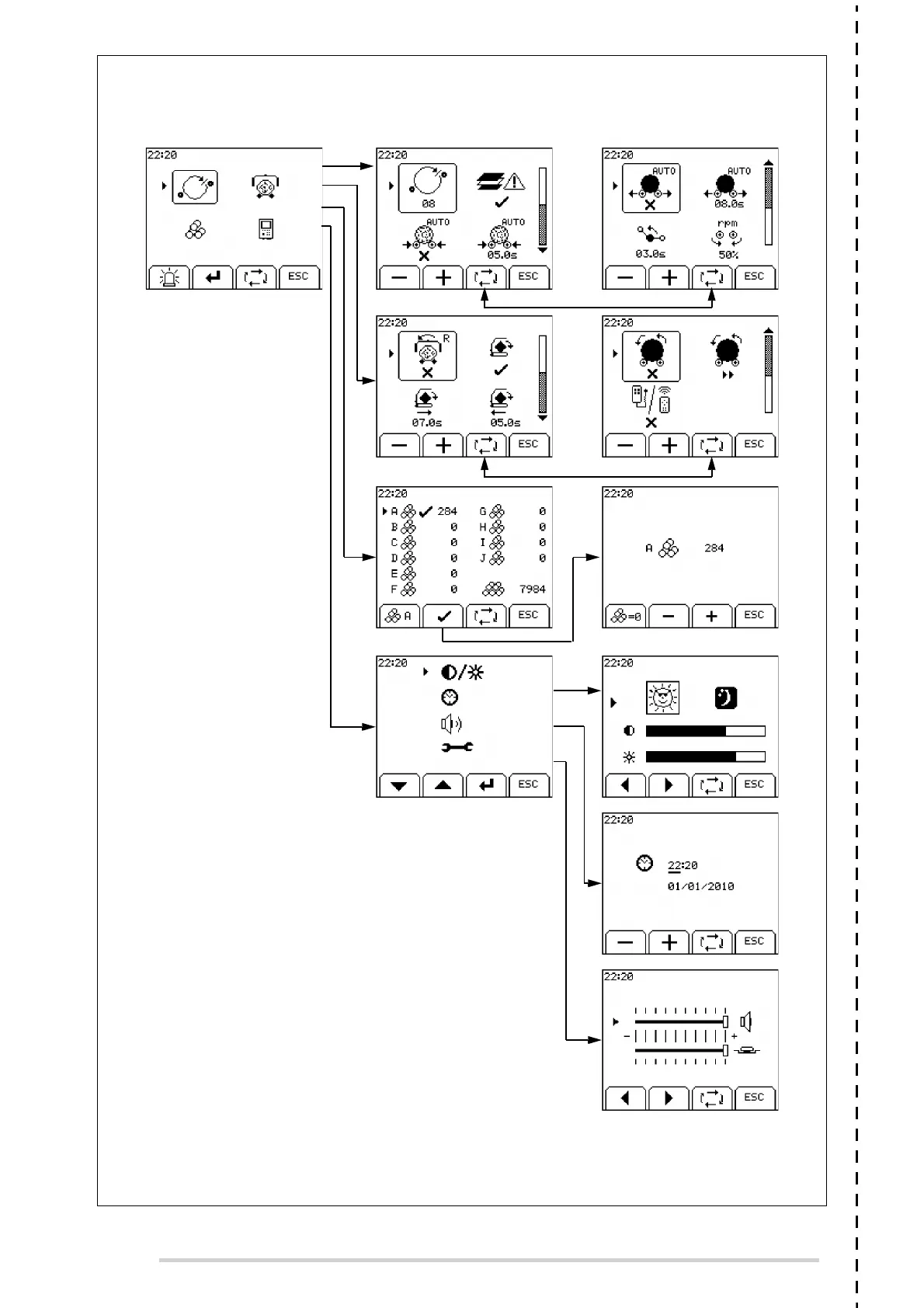
W2020 Menu structure

Table of Contents

Related product manuals