EasyManua.ls Logo

McQuay AC20C / MAC020C - Page 11

McQuay AC20C / MAC020C
125 pages
Print Icon
To Next Page IconTo Next Page
To Next Page IconTo Next Page
To Previous Page IconTo Previous Page
To Previous Page IconTo Previous Page
Loading...
English
ix
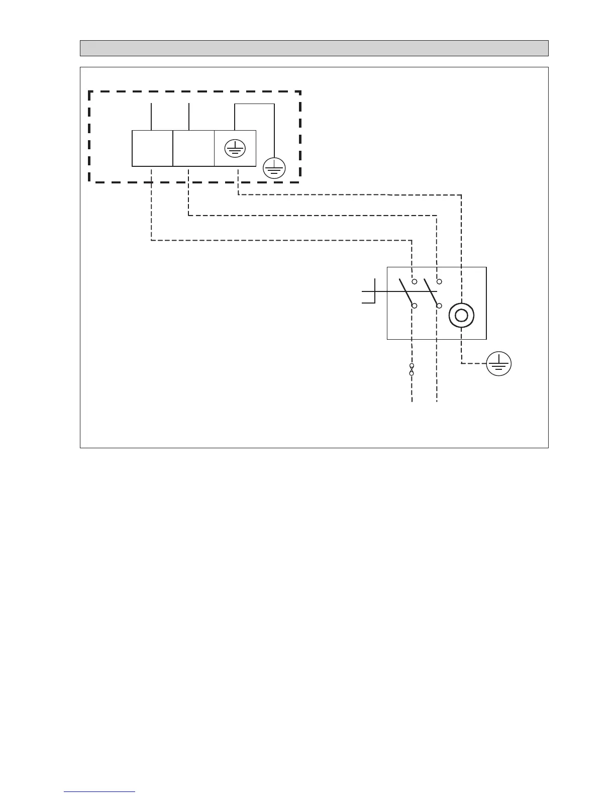
ISOLATOR DIAGRAMS
TB1 L/L1 N/L2
N
L1
Power supply 230V / 1Ph-N / 50Hz
4AC/AC20/25/30 C/CR
AC TERMINAL BOX
ISOLATOR
E
FUSE

Table of Contents