EasyManua.ls Logo

McQuay AC20C / MAC020C - Instalación Eléctrica; Tuberia de Agua

McQuay AC20C / MAC020C
125 pages
Print Icon
To Next Page IconTo Next Page
To Next Page IconTo Next Page
To Previous Page IconTo Previous Page
To Previous Page IconTo Previous Page
Loading...
5-7
P
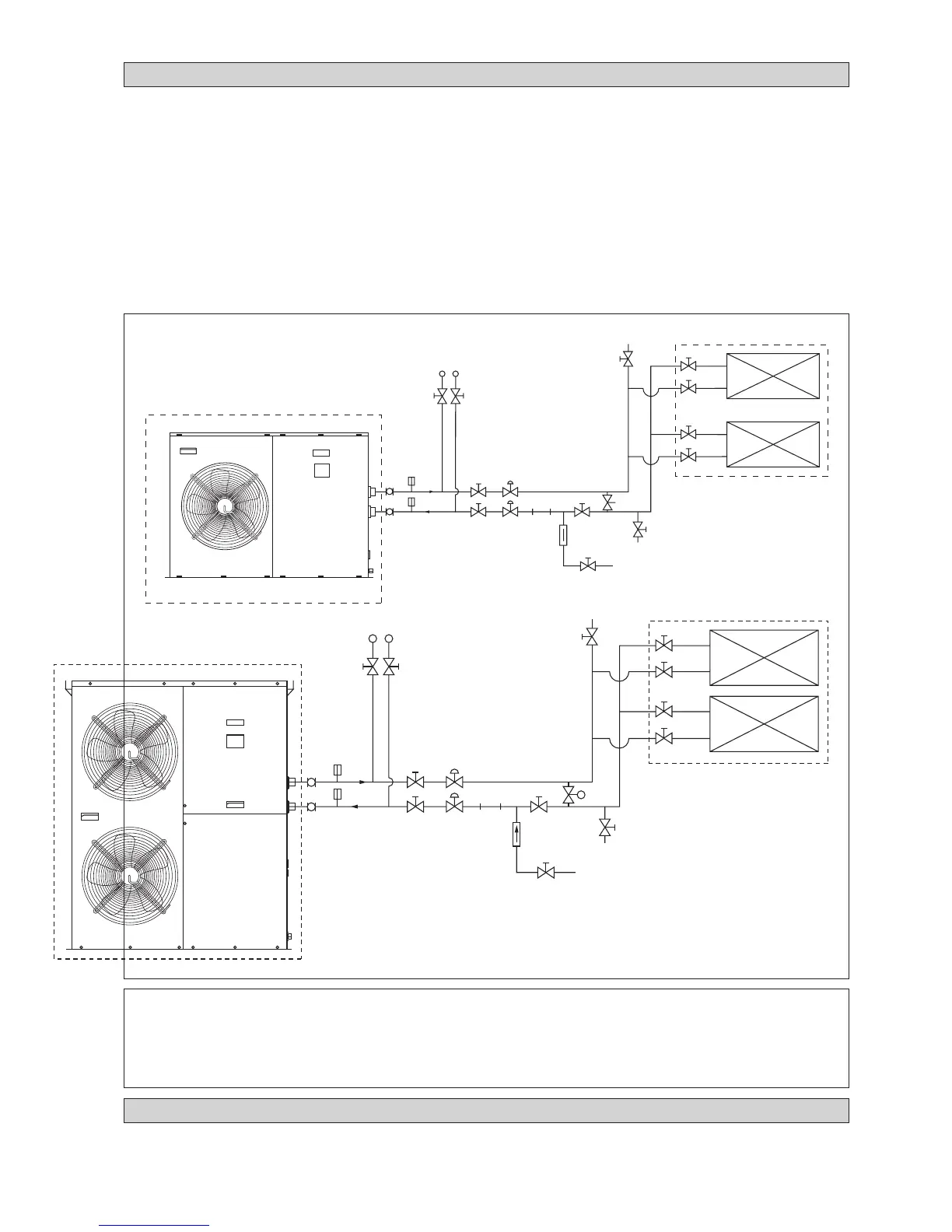
TUBERIA DE AGUA
Aísle correctamente todas las tuberías de agua para evitar pérdidas de capacidad y condensación.
Instale un filtro de malla 40-60 para garantizar una buena calidad del agua.
Las tuberías par agua recomendadas son de acero negro, acero y cobre.
Durante la instalación, no fije los tubos de la unidad antes de girar el tubo de instalación, para reducir la fuerza aplicada
sobre los tubos.
Se recomenda al usuario instalar el tubo y los accesorios como muestra en la Figura 6.
Instale una salida de ventilación de aire en la posición más alta y un tapón de drenaje en el punto más bajo del circuito de
agua. Tras la prueba de fugas (0,6Mpa), abre la salida de aire para que pueda eliminars el aire del circuito de agua.
Lenar la instalación de agua, poner la bomba en marcha durante al menos 30 minutos para lavar la installación firar el agua
y limpiap la malla del filtro.
Llene el circuito de agua después de conectar todos los tubos y el equipo. Compruebe los posibles escapes en todas las
conexiones y empalmes. No ponga en marcha la unidad mientras haya fugas en el sistema.
Optimizar la capacidad del sistema, asegurandose de que el sistema esté libre de burbujas de aire. El aire presente en el
sistema haría que este no foncionara correctamente.
!!
!!
! CUIDADO
No deje el agua en los tubos si el equipo no va a funcionar durante un periodo prolongado de tiempo.
Vacíe el agua si no va a utilizar el equipo durante el invierno. En caso contrario, podrían producirse grietas en los
tubos, por congelación.
El agua enfriada en este equipo no es potable.
P
4AC/AC 020/025/030 C/CR
4AC/AC 040/050/060 C/CR
AIRVENT (INSTALA LA
POSICIÓN MÁS ALTA)
VÁLVULA
DE
PORTÓN
VÁLVULA
DE
PORTÓN
VÁLVULA
QUE
EQUILIBRA
TERMÓMETRO
FLEXIBLE
VÁLVULA DE PORTÓN (LA POSICIÓN
MÁS BAJA PARA EL DESAGÜE)
AIRVENT (INSTALA LA
POSICIÓN MÁS ALTA)
LA UNIDAD DE ROLLO DE VENTILADOR/LA
UNIDAD DEL MANEJO DE AIRE
VÁLVULA
DE
PORTÓN
Figura 6
TERMÓMETRO
VÁLVULA DE
PORTÓN
VÁLVULA DE
PORTÓN
VÁLVULA QUE
EQUILIBRA
EL COLADOR
VÁLVULA
DE
CHEQUE
COMPONE
VÁLVULA
VÁLVULA DE BYPASS
(DIFERE NTE TIPO DE PRESIÓN)
AIRVENT (INSTALA LA
POSICIÓN MÁS ALTA)
VÁLVULA
DE
PORTÓN
VÁLVULA
DE
PORTÓN
VÁLVULA
QUE
EQUILIBRA
TERMÓMETRO
FLEXIBLE
VÁLVULA DE PORTÓN (LA POSICIÓN
MÁS BAJA PARA EL DESAGÜE)
AIRVENT (INSTALA LA
POSICIÓN MÁS ALTA)
LA UNIDAD DE ROLLO DE VENTILADOR/LA
UNIDAD DEL MANEJO DE AIRE
VÁLVULA
DE
PORTÓN
TERMÓMETRO
VÁLVULA DE
PORTÓN
VÁLVULA DE
PORTÓN
VÁLVULA QUE EQUILIBRA
EL COLADOR
VÁLVULA
DE
CHEQUE
COMPONE
VÁLVULA
VÁLVULA DE BYPASS
(DIFERE NTE TIPO DE PRESIÓN)
INSTALACIÓN ELÉCTRICA
Se Refiere al esquema eléctrico proporcionado en la unidad.
No conecte ningún cable eléctrico a la tubería del agua.
Instale un interruptor de aislante externo (si no está incluido) para evitar descargas eléctricas.

Table of Contents

Related product manuals