EasyManua.ls Logo

McQuay AC20C / MAC020C - Water Piping and Fitting; Electrical and Wiring

McQuay AC20C / MAC020C
125 pages
Print Icon
To Next Page IconTo Next Page
To Next Page IconTo Next Page
To Previous Page IconTo Previous Page
To Previous Page IconTo Previous Page
Loading...
1-7
WATER PIPING AND FITTING
All water pipe must be adequately insulated to prevent capacity losses and condensation.
Install a 40 to 60-mesh strainer to ensure good water quality.
Water pipes recommended are black steel pipe and copper pipe.
During installation, the piping of the unit should be clamped before rotating the installation pipe to reduce the moment
induce on the piping.
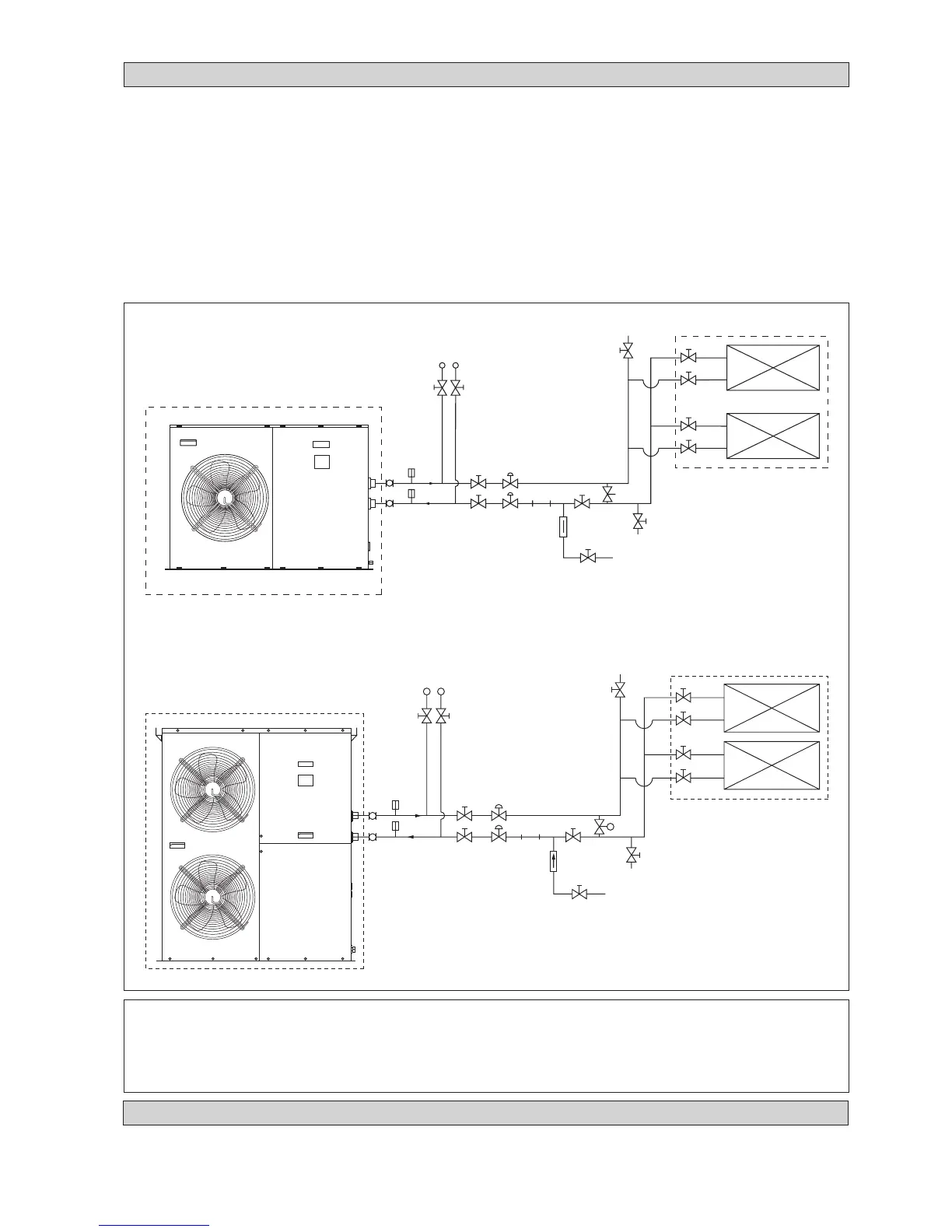
Users are recommended to install the pipes and accessories as shown in Figure 6.
An air vent must be installed at the highest position, while a drainage plug at the lowest position of the water circuit. After
the leak test (0.6MPa), open the air vent to release any air trapped in the water circuit.
Run the clean water through the water inlet and operate the pump to drain out the dirty water. Clean the strainer after
running the pump for 30 minutes.
Fill up the water circuit after connecting the pipes and equipment. Check water leakage at all connections and joints. Do
not start the unit when the system is leaking.
To optimize the capacity of the system, ensure that the system is free of air bubbles. The air trapped in the system would
make the system unbalanced.
!!
!!
! CAUTION
Do not allow water to remain in the water pipes if the unit is not operating for a long period.
Water must be drained out if the unit is not running during winter. Failing to do so would cause the pipe to crack.
Do not drink the chilled water in the unit.
P
P
4AC/AC 20/25/30 C/CR
4AC/AC 40/50/60 C/CR
PRESSURE GAUGE
GATE
VALVE
GATE
VALVE
BALANCING
VALVE
THERMOMETER
FLEXIBLE
GATE VALVE (LOWER
POSITION FOR DRAINAGE)
AIRVENT (INSTALL
HIGHEST POSITION)
FAN COIL UNIT/AIR HANDLING UNIT
GATE
VALVE
Figure 6
THERMOMETER
GATE VALVE
GATE VALVE
BALANCING
VALVE
STRAINER
CHECK
VALVE
MAKE UP
VALVE
BYPASS VALVE
(DIFFER ENT PRESSURE TYPE)
PRESSURE GAUGE
GATE
VALVE
GATE
VALVE
BALANCING
VALVE
THERMOMETER
FLEXIBLE
GATE VALVE (LOWER
POSITION FOR DRAINAGE)
AIRVENT (INSTALL
HIGHEST POSITION)
FAN COIL UNIT/AIR HANDLING UNIT
GATE
VALVE
THERMOMETER
GATE VALVE
GATE VALVE
BALANCING
VALVE
STRAINER
CHECK
VALVE
MAKE UP
VALVE
BYPASS VALVE
(DIFFER ENT PRESSURE TYPE)
ELECTRICAL AND WIRING
Refer to the wiring diagram provided on the unit when making electrical wiring.
Do not ground any electrical equipment to the water piping.
Install an external isolator switch (if it is not provided) to prevent electrical shock.

Table of Contents