EasyManua.ls Logo

McQuay AC20C / MAC020C - Page 39

McQuay AC20C / MAC020C
125 pages
Print Icon
To Next Page IconTo Next Page
To Next Page IconTo Next Page
To Previous Page IconTo Previous Page
To Previous Page IconTo Previous Page
Loading...
2-10
Français
P
P
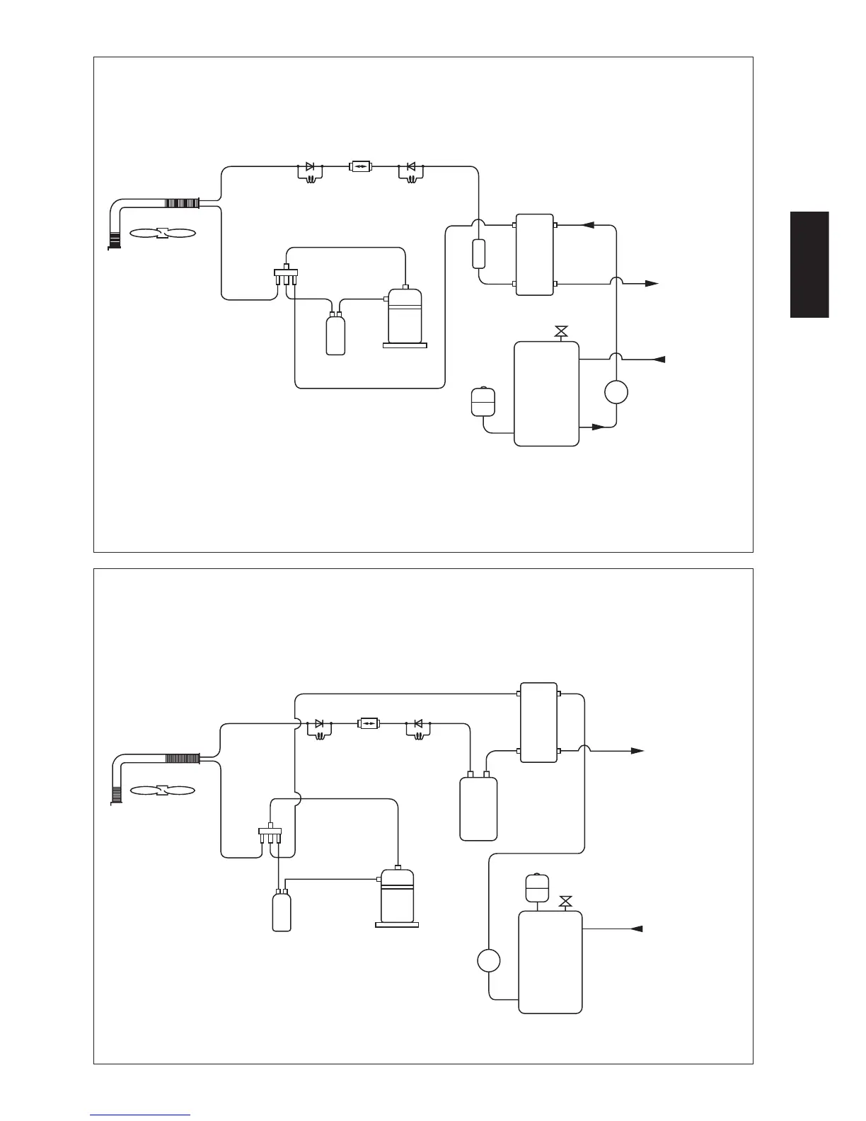
4AC / AC 020CR/ 025CR/ 030CR
Schéma Du Circuit D’Eau / De Réfrigération
CLAPET
ANTI
RETOUR
BPHE
COMPRESSEUR
COMPENSATEUR
DE CHARGE
SOUPAPE DE DÉCHARGE
AUTOMATIQUE
SORTIE
D’EAU
ENTRÉE
D’EAU
RÉSERVOIR
D’EXPANSION
RÉSERVOIR DE
STOCKAGE DE L’EAU
NO D’ARTICLE : 70-03-4-067458
4AC / AC 040CR/ 050CR/ 060CR
Schéma Du Circuit D’Eau / De Réfrigération
BPHE
COMPRESSEUR
POMPE À EAU
SOUPAPE DE DÉCHARGE
AUTOMATIQUE
SORTIE
D’EAU
ENTRÉE
D’EAU
RÉSERVOIR
D’EXPANSION
RÉSERVOIR DE
STOCKAGE DE L’EAU
NO D’ARTICLE : 70-03-4-067459
CLAPET ANTI
RETOUR
FILTRE
DÉSHYDRATEUR
CAP.
CHAUFFAGE
TUYAU
CAP.
REFRIGERATION
BOUTEILLE
ANTICOUP DE LIQUIDE
CLAPET ANTI
RETOUR
BOUTEILLE
ACCUMULATRICE
DE LIQUIDE
CLAPET ANTI
RETOUR
FILTRE
DÉSHYDRATEUR
CAP.
CHAUFFAGE
TUYAU
CAP.
REFRIGERATION
BOUTEILLE
ANTICOUP DE
LIQUIDE

Table of Contents

Related product manuals