EasyManua.ls Logo

McQuay AC20C / MAC020C - Page 7

McQuay AC20C / MAC020C
125 pages
Print Icon
To Next Page IconTo Next Page
To Next Page IconTo Next Page
To Previous Page IconTo Previous Page
To Previous Page IconTo Previous Page
Loading...
English
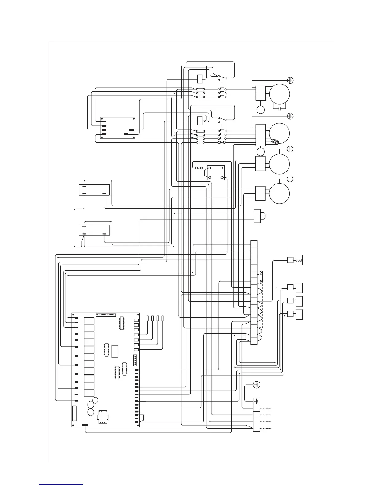
MODEL : 4AC / AC 40 / 50/ 60 C
PART NO : 50 13 4 076741
v
LIVE
COM2
COM1
BOILER
W_PUMP
OUT_FAN2
4WV2
A_FREEZE
ALM_OUT
ALM_IN
4WV1
OUT_FAN1
AUX-H
12V
F02
F01
LP2
LP1
HP2
HP1
CO2
CO1
FLOW
PO
ALM
DE2
DE1
C/H
ON/OFF
WI
CN6
WO OA
CD1CD2 DF1 DF2
N
CA
B
OF 1
CAP
CA
B
OF 2
CAP
COMP DISCHARGE SENSOR (1)
OUTDOOR AIR TEMP SENSOR
LEAVING WATER SENSOR
ENTERING WATER SENSOR
S
380-415/3pH/50Hz
RTB1 T N
12V 12V 12V N1 N1 N1 N1 1
ON
OFF
COOL
HEAT
2 O/F C/H
4WV
HTR
AL
IN
AL
OUT
LP HP
FL
H
T
R
OF OUT
OF IN
TB3
TB2
L
N
C
OF 1
L
N
42 41
C
OF 2
U
V
W
E
COMP.
U
V
W
E
PUMP
FUSE
10A
5B
4B 1A
2A
SWITCH
31
81
71
NRST
PHASE
PROTECTOR
32
COMP PUMP
98
95
96
C O/L
98
95
96
P O/L

Table of Contents

Related product manuals