EasyManua.ls Logo

McQuay AC20C / MAC020C - Page 9

McQuay AC20C / MAC020C
125 pages
Print Icon
To Next Page IconTo Next Page
To Next Page IconTo Next Page
To Previous Page IconTo Previous Page
To Previous Page IconTo Previous Page
Loading...
English
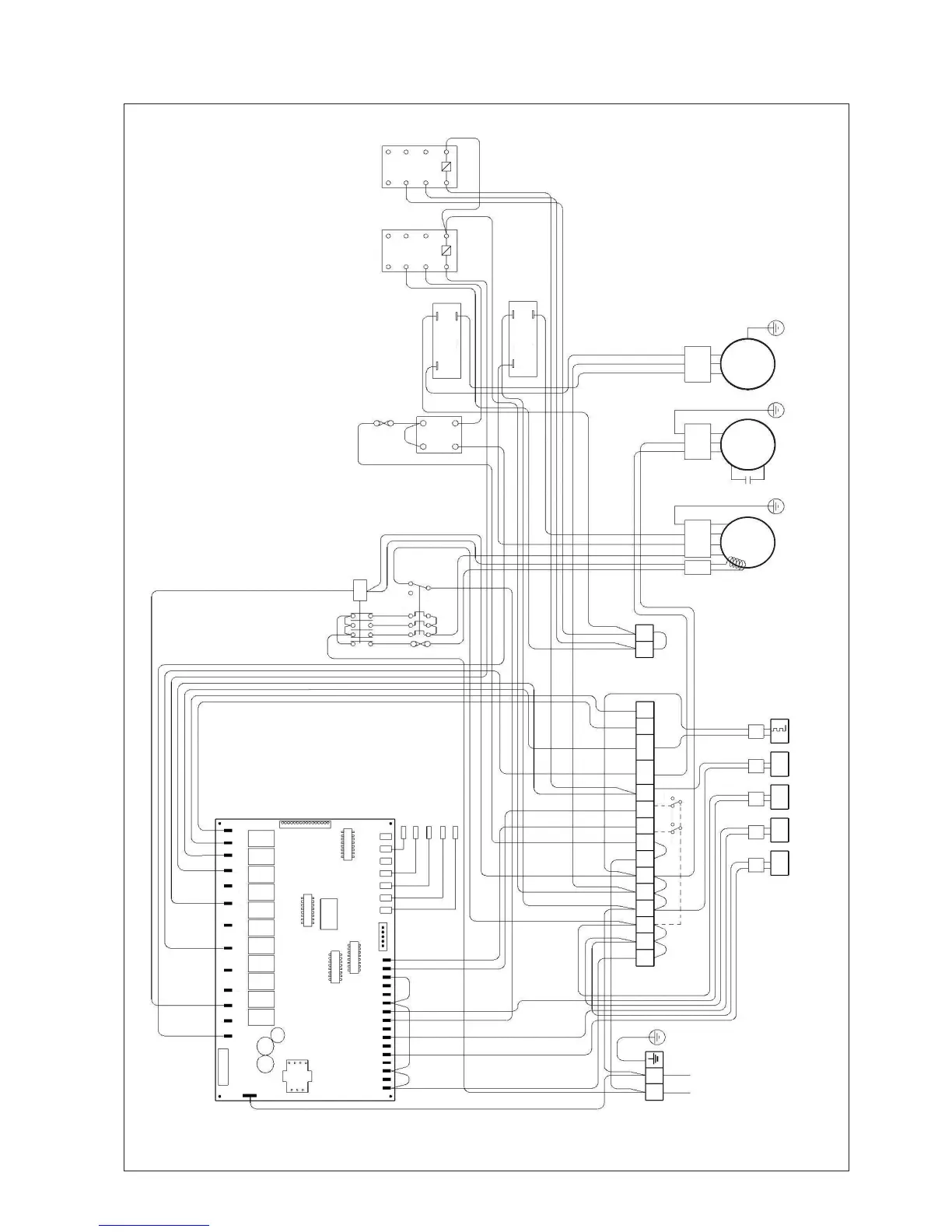
MODEL : 4AC / AC 25 / 30 CR
PART NO : 50 13 4 066986
HEATOFF
COOLON
LIVE
COM2
COM1
BOILER
W_PUMP
OUT_FAN2
4WV2
A_FREEZE
ALM_OUT
ALM_IN
4WV1
OUT_FAN1
AUX-H
12V
F02
F01
LP2
LP1
HP2
HP1
C02
C01
FLOW
PO
ALM
DE2
DE1
C/H
ON/OFF
WI
CN6
WOOA
CD1CD2DF1DF2
N
COMP DISCHARGE SENSOR (1)
OUTDOOR AIR TEMP SENSOR
LEAVING WATER SENSOR
ENTERING WATER SENSOR
N/L2
220-240/1pH/50Hz
L/L1TB1
12V 12V 12V N1 N1 N1 1 2 O/F PUMPC/H
4WV
HTR
AL
IN
AL
OUT
LP HP FL
H
T
R
OF
OUT
OF
IN
TB3
L
N
C
OF
C
S
R
E
COMP.
L
N
E
PUMP
FUSE
10A
5B
4B 1A
2A
SWITCH
A
B
COMP
COMP
CAP
98
95
96
C O/L
1
3
2
4
DEFROST SENSOR (1)
TB2
4WV
OF
CAP
R
R
5
7
6
8
R
E
L
A
Y
1
3
2
4
5
7
6
8
R
E
L
A
Y
R1
R2
C
S
vii

Table of Contents

Related product manuals