EasyManua.ls Logo

Mendota M27 - Page 23

Mendota M27
104 pages
Print Icon
To Next Page IconTo Next Page
To Next Page IconTo Next Page
To Previous Page IconTo Previous Page
To Previous Page IconTo Previous Page
Loading...
85-03-01120 M27 Page 23
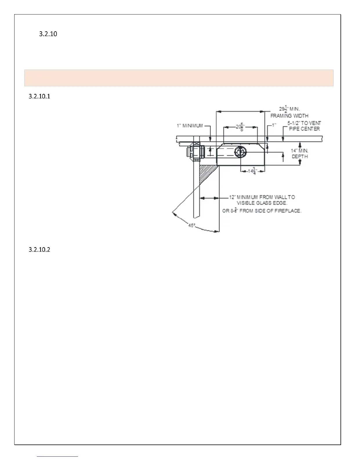
Clearances to Combustible Side Walls
The minimum distance required from the side edge of the visible glass to a combustible side wall is 12. Combustible side walls,
mantel corbels, mantel legs and other combustible walls and decorative objects must fall behind a 45-degree line extending
outward from the side edges of the visible glass unless such objects are more than 12” away from the visible side edges of the
glass.
If the required clearance cannot be met to a pre-existing combustible side wall, an NFPA approved clearance
reduction shield, metal or ceramic board, must be added to the side wall.
Horizontal Clearance Reduction by 66%
NPFA 211 Approved: Install 20-gauge or heavier
steel shield that provides at least a 1” active
airspace, on the combustible wall surface. To
provide for active airflow, install at least 1” metal
or ceramic standoffs or spacers between the metal
shield and the combustible surface being
protected. The bottom and top edges of the cavity
between the metal shield and the combustible
surface must be left open. The steel shield must be
a minimum of 12” larger in each direction than the
surface area of the source of heat; or if the surface
being protected is smaller than surface area of the
source of heat, this shield must be larger than the
combustible surface in each direction.
By using this method of protection, if the required
horizontal clearance was 16, the resulting
clearance will be reduced by 66% to 5-3/8
between the heat source and the metal shield.
Horizontal Clearance Reduction by 50%
NPFA 211 Approved: Install an R-1 rated ceramic board or R-1 rated mineral board on the wall you are attempting to protect.
by using this method of protection, if the required horizontal clearance was 16, the resulting clearance will be reduced by 50%
to 8” between the heat source and the R-1 Rated wall board.
Figure 3-15 CLEARNCES TO SIDE WALLS

Related product manuals