EasyManua.ls Logo

Meritor MTC Series - Bearing Lock Nut Socket

Meritor MTC Series
62 pages
Print Icon
To Next Page IconTo Next Page
To Next Page IconTo Next Page
To Previous Page IconTo Previous Page
To Previous Page IconTo Previous Page
Loading...
Copyright Meritor, Inc., 2021
MM-2034 / Issued 02-21
Page 53 Printed in USA
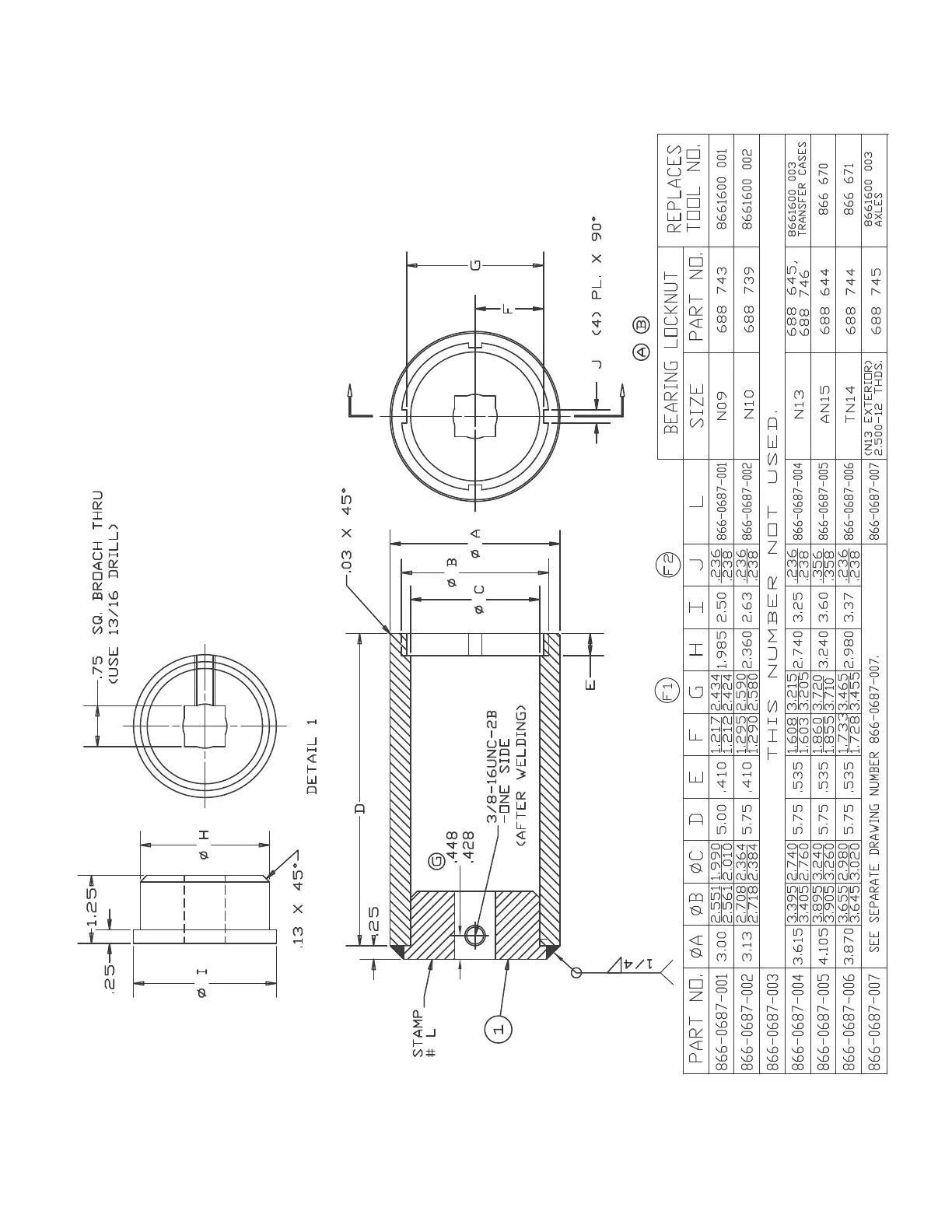
12 Tools
Bearing Lock Nut Socket
Figure 12.1

Related product manuals