EasyManua.ls Logo

Meritor MTC Series - Rear Output Seal Driver

Meritor MTC Series
62 pages
Print Icon
To Next Page IconTo Next Page
To Next Page IconTo Next Page
To Previous Page IconTo Previous Page
To Previous Page IconTo Previous Page
Loading...
Copyright Meritor, Inc., 2021Printed in USA
MM-2034 / Issued 02-21
Page 54
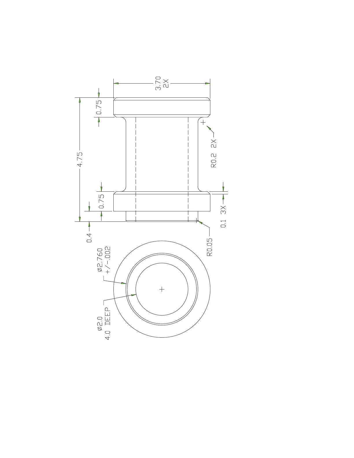
12 Tools
Rear Output Seal Driver
Figure 12.2