EasyManua.ls Logo

Microsemi SmartFusion2 - Smartfusion2 Cache Controller Overview

Microsemi SmartFusion2
18 pages
Print Icon
To Next Page IconTo Next Page
To Next Page IconTo Next Page
To Previous Page IconTo Previous Page
To Previous Page IconTo Previous Page
Loading...
SmartFusion2 SoC FPGA - Cache Controller Configuration - Libero SoC v11.7
Revision 10 3
SmartFusion2 Cache Controller Overview
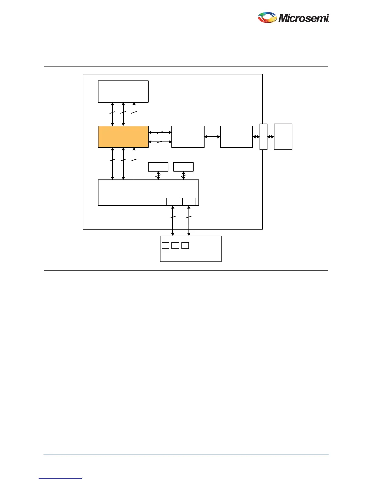
Figure 1 shows the system-level view of the cache controller in the SmartFusion2 device.
Figure 1 • System-Level View of Cache Controller in the SmartFusion2 Device
&RUWH[0
3URFHVVRU
&DFKH&RQWUROOHU
066''5
%ULGJH
0''5
6XEV\VWHP
$+%%XV0DWUL[
6
6'
',
,&
'6
,'&
'
'
5
,
2
H190 H65$0
 %LW
$;,
)3*$)DEULF
)DEULF65$0
),&B



  


066


 
),&B
/3''5

Other manuals for Microsemi SmartFusion2

Related product manuals