EasyManua.ls Logo

Midea LSBLG365/MCFN

Midea LSBLG365/MCFN
97 pages
To Next Page IconTo Next Page
To Next Page IconTo Next Page
To Previous Page IconTo Previous Page
To Previous Page IconTo Previous Page
Loading...
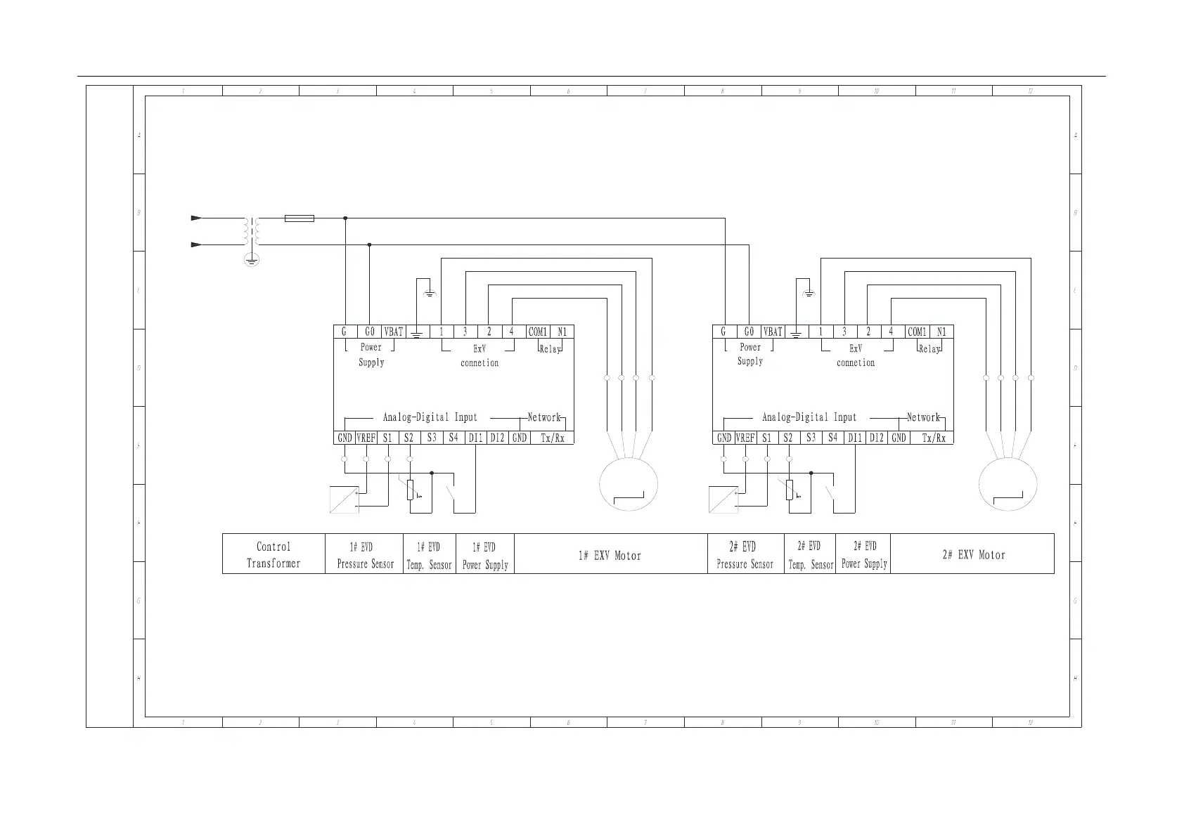
Flooded type water cooled screw chiller (PCB Control) MCAC-CTSM-2012-11
94
M M
TC
1BP
P
I
2BP
P
I
1RT
2RT
1KA
2KA
1EVD
2EVD
FU2
L17
N1
L19L15
N
605 603 601 607
X:87 X:86 X:85 X:88 X:95 X:94 X:93 X:96
623 621 619 625
611 613
615
617 629 631
633
635
X:92
X:91
X:90
X:89
X:100
X:99
X:98
X:97
627609
2/B12
2/E12
black
white
red
green
black
white
red
green

Related product manuals