EasyManua.ls Logo

Midland SPD-8 - 100 C Omponent I Dentification; Overall Machine

Midland SPD-8
145 pages
Print Icon
To Next Page IconTo Next Page
To Next Page IconTo Next Page
To Previous Page IconTo Previous Page
To Previous Page IconTo Previous Page
Loading...
www.roadwidener.com
4
Model SP-8 &10
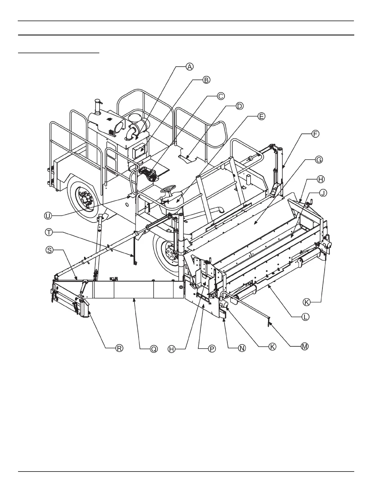
2. Component IdentIfICAtIon
2.1 overAll mACHIne
A - Engine
B - Engine controls
C - Hydraulic Pumps
D - Manual Pack
E - Operator Console
F - Blade And Column Assembly (L/S)*
G - Conveyor And Hopper Assembly
H - Discharge Gate Assembly**
J - Conveyor Belt
K - Conveyor Motor
L - Push Roller Assembly
M - Guide Rod Assembly
N - Deector Assembly
P - Bib Assembly
Q - Blade And Column Assembly (R/S)
R - Outer Edger Assembly
S - Hydraulic Blade Extension**
T - Blade Restraint Assembly
U - Hydraulic Tank
* Available only in dual side configuration
** Available as option

Table of Contents

Related product manuals