EasyManua.ls Logo

Midland SPD-8 - Electrical Installation, Optional Auto Grade and Slope (Single Sided)

Midland SPD-8
145 pages
Print Icon
To Next Page IconTo Next Page
To Next Page IconTo Next Page
To Previous Page IconTo Previous Page
To Previous Page IconTo Previous Page
Loading...
www.roadwidener.com
98
Model SP-8 &10
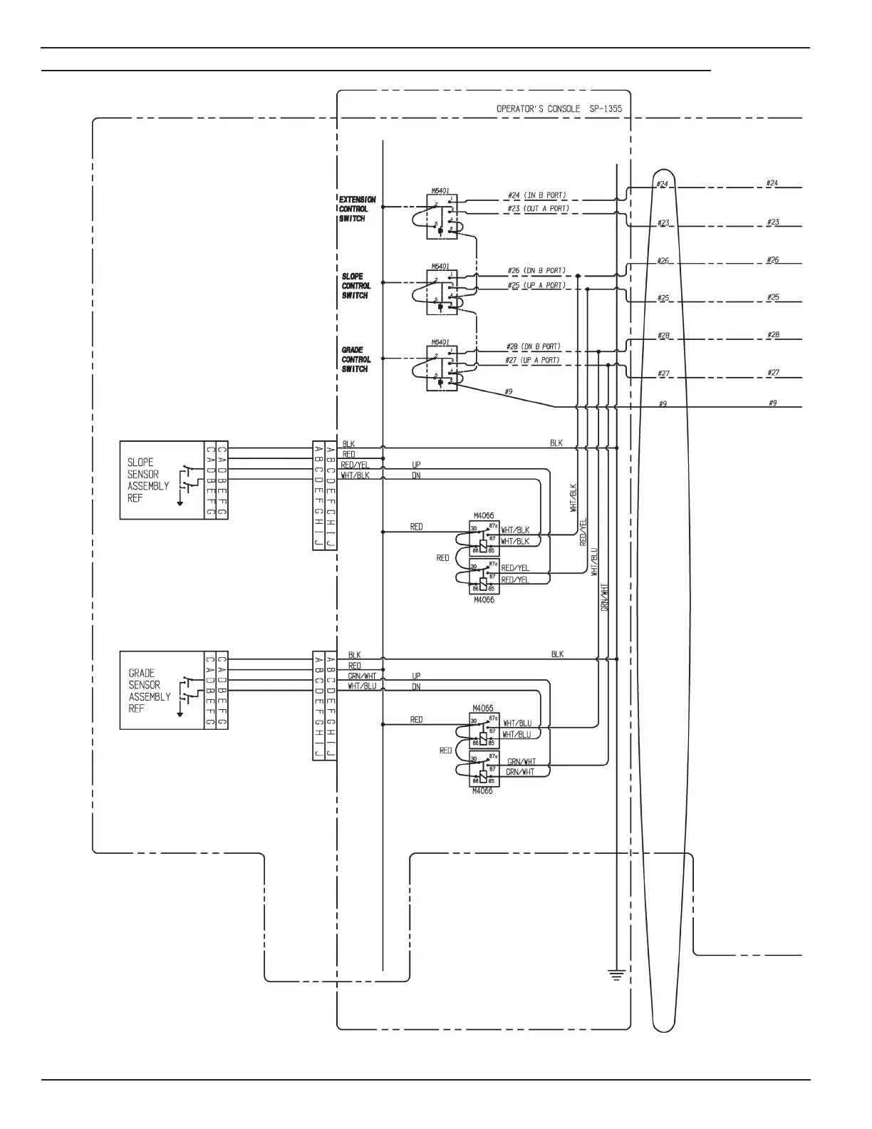
13.5 eleCtrICAl InstAllAtIon, optIonAl Auto GrAde And slope (sInGle sIded)

Table of Contents

Related product manuals