EasyManua.ls Logo

Miller INTEGRA 183 - Section 5 - Electrical Diagram

Miller INTEGRA 183
24 pages
Print Icon
To Next Page IconTo Next Page
To Next Page IconTo Next Page
To Previous Page IconTo Previous Page
To Previous Page IconTo Previous Page
Loading...
OM-188 415 Page 13
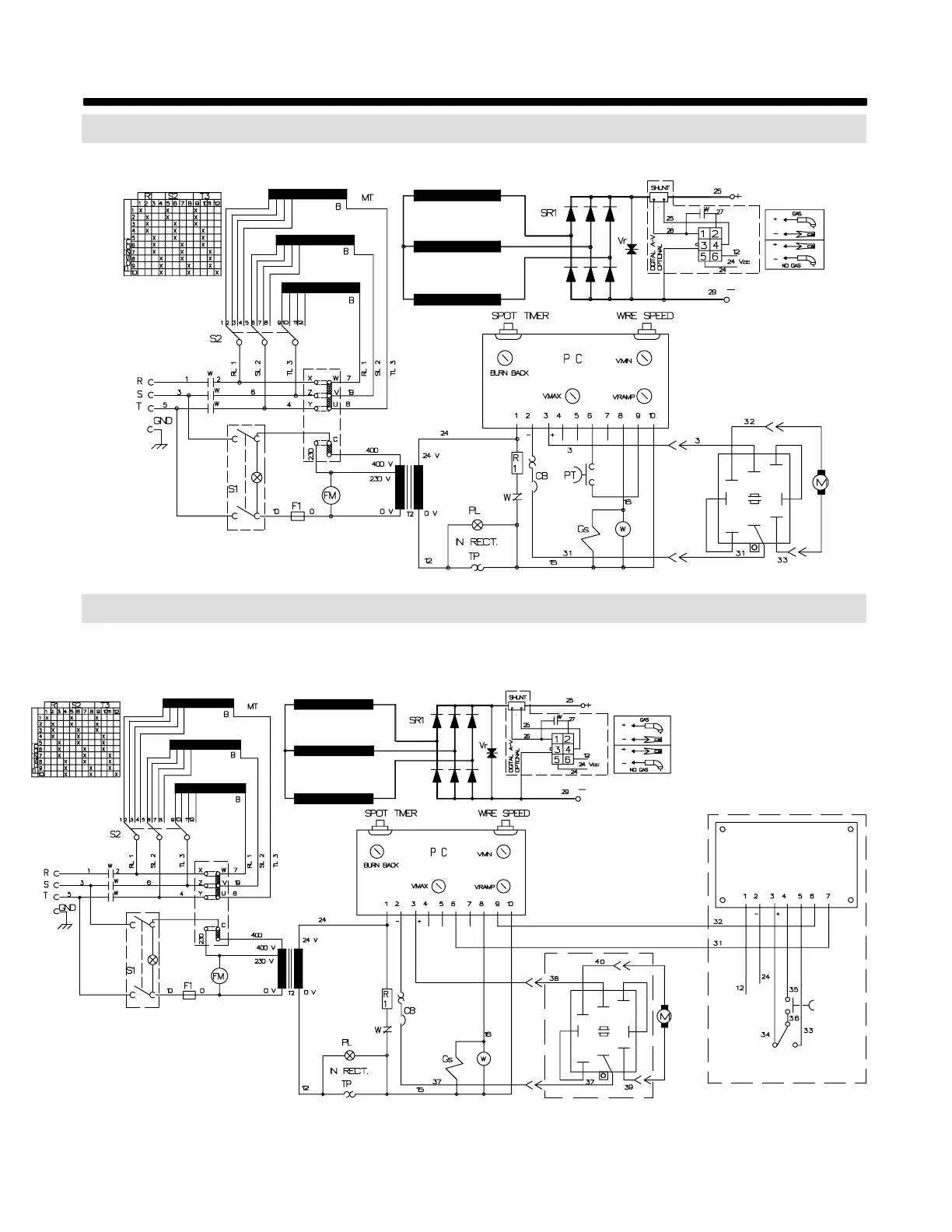
SECTION 5 ELECTRICAL DIAGRAM
5.1 INTEGRA 183
cod.956.142.274
5.2 INTEGRA 243
JACK FEM.
BLACK
NERO
ROSSO
RED
JACK FEM.
BLACK
NERO
ROSSO
RED
PCB
2T 4T
24V T.Sw.
2T 4T
OPTIONAL
OPTIONAL

Related product manuals