EasyManua.ls Logo

Miller Regency 250 - Page 20

Miller Regency 250
28 pages
Print Icon
To Next Page IconTo Next Page
To Next Page IconTo Next Page
To Previous Page IconTo Previous Page
To Previous Page IconTo Previous Page
Loading...
OM-293 Page 16
SB-119 335-A
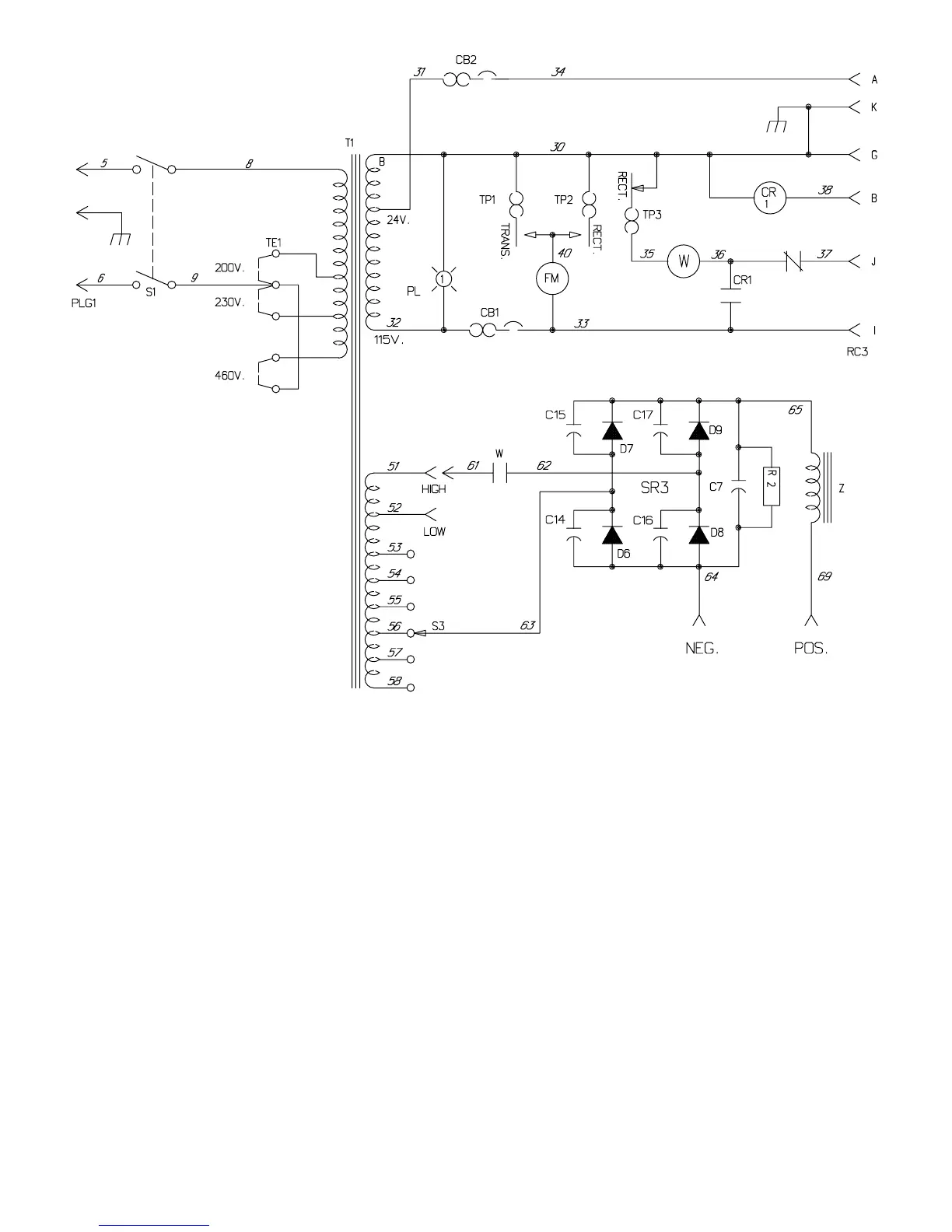
Figure 4-1. Circuit Diagram For Welding Power Source

Related product manuals