EasyManua.ls Logo

Millipore Pellicon 2 - Plumbing and Instrumentation

Millipore Pellicon 2
16 pages
Print Icon
To Next Page IconTo Next Page
To Next Page IconTo Next Page
To Previous Page IconTo Previous Page
To Previous Page IconTo Previous Page
Loading...
6 www.millipore.com
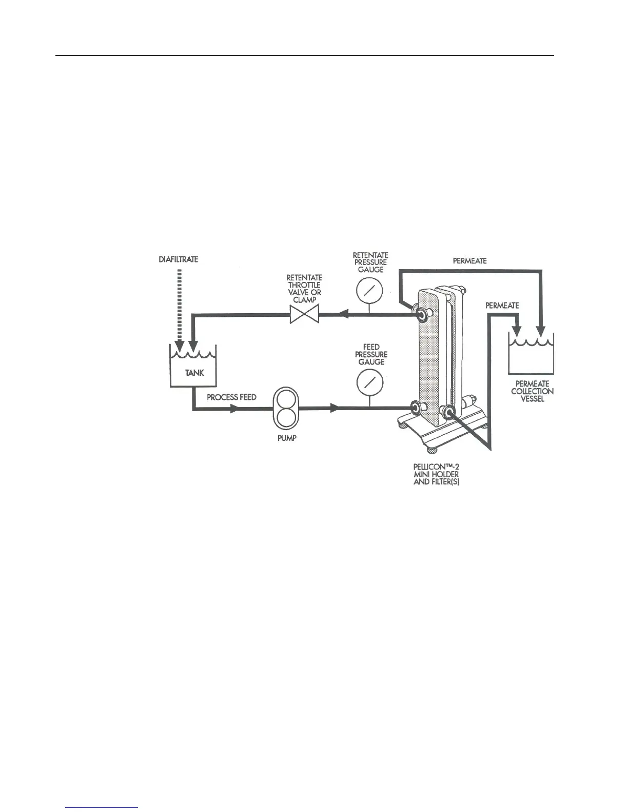
Plumbing and Instrumentation
The concentration mode is the most commonly used mode for the concentration of
proteins and viruses and is shown in Figure 2 without the diafiltrate. During this mode,
material retained by the membrane (retentate) flows out of the retentate fitting and is
recirculated to the original product container. The material passing through the membrane
(permeate) flows out of the permeate outlet fitting onto the permeate collection container.
The constant volume diafiltration mode, shown in Figure 2, is used for washing product
that is retained by the membrane or for recovering additional product that is passed
through the membrane. The mode involves the addition of water or buffer to the feed
container at the same rate as permeate is being removed from the process.
Plumbing and Instrumentation DiagramFigure 2:

Related product manuals