EasyManua.ls Logo

Milnor 48040F7D - Water and Steam Schematics and Components

Milnor 48040F7D
135 pages
Print Icon
To Next Page IconTo Next Page
To Next Page IconTo Next Page
To Previous Page IconTo Previous Page
To Previous Page IconTo Previous Page
Loading...
Page (1 / 2)
PELLERIN MILNOR CORPORATION
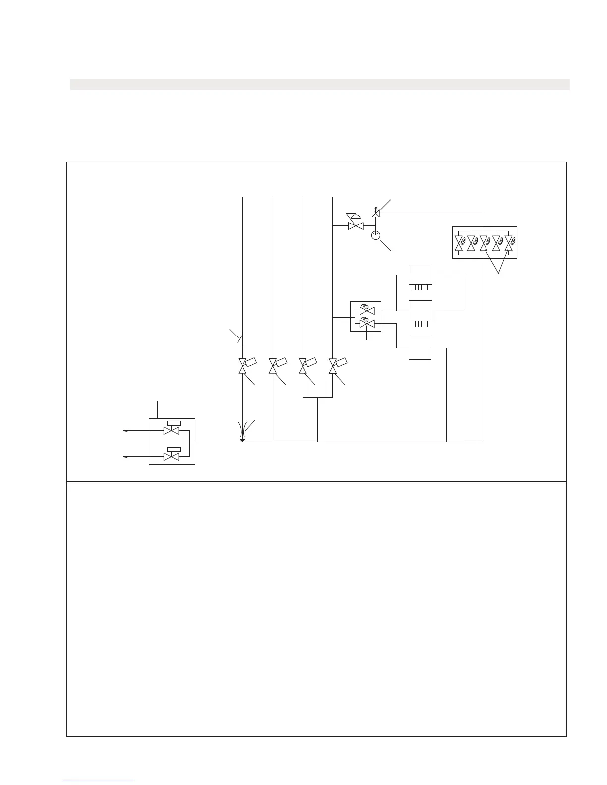
A. Steam inlet
B. Reuse water inlet (optional)
C. Cold water inlet
D. Hot water inlet
E. Five compartments to flush in chemical supplies (optional)
F. Soap chute
G. 10 inlets for peristaltic liquid chemical systems (10 inlets standard F7J) (8 inlets standard F7Z)
H. Six inlets for peristaltic liquid chemical systems (+5 standard F7J) (optional F7Z)
J. Drain valve body with one valve is (standard). Drain valve body with two valves is (optional).
K. Dirty water outlet to sewer
L. Reuse water outlet to the reuse tank
M. Keep this component clean. Refer to the related section in document BIIFUM02.
N. Keep this component set to the correct pressure. Refer to the related section in document
BIIFUM02.
P. Five instances
Legend
D
E
F
G
H
J
K
L
1,M,N
PELLERIN MILNOR CORPORATION
Figure 1: Water and Steam Schematic and Components
BMP150018/2015095A
Water and Steam Schematic and Components
48040F7B, F7D, F7J, F7Z (AZ)
AB
C
6,M,N 8
7
9,P
5
2
3
4
4
4
10
100

Table of Contents

Related product manuals