EasyManua.ls Logo

MINERVA OMEGA C/E 652 - Page 43

Default Icon
66 pages
Print Icon
To Next Page IconTo Next Page
To Next Page IconTo Next Page
To Previous Page IconTo Previous Page
To Previous Page IconTo Previous Page
Loading...
43
HAM11-001 - rev. 02-08-03-13
POS. ARCH.:
1
2
3 6
7
4 5
8
A
B
C
D
E
F
A
B
C
D
E
F
DENOMINAZIONE:
DESCRIZIONE:
MODIFICHE:
DATA:
PROPRIETA’ INTERNA - RIPRODUZIONE VIETATA
DISEGNO N°:
DISEGNATORE:
NOTE:
FOGLIO:
02/06/97
A.S.C.
2 DI 2
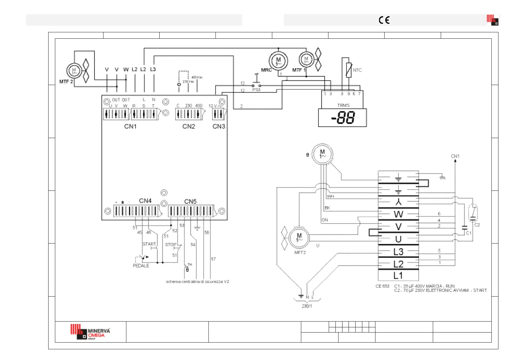
C/E 653R
SCHEMA ELETTRICO MONOFASE 230V
Schema elettrico monofase (230/1) / Mono-phase wiring diagram / Schéma éléctrique monofasée
Monopha-
senschaltplan /
Enfas kopplingsschema
C/E653R

Related product manuals