EasyManua.ls Logo

MINERVA OMEGA C/E 652 - Page 44

Default Icon
66 pages
Print Icon
To Next Page IconTo Next Page
To Next Page IconTo Next Page
To Previous Page IconTo Previous Page
To Previous Page IconTo Previous Page
Loading...
44
HAM11-001 - rev. 02-08-03-13
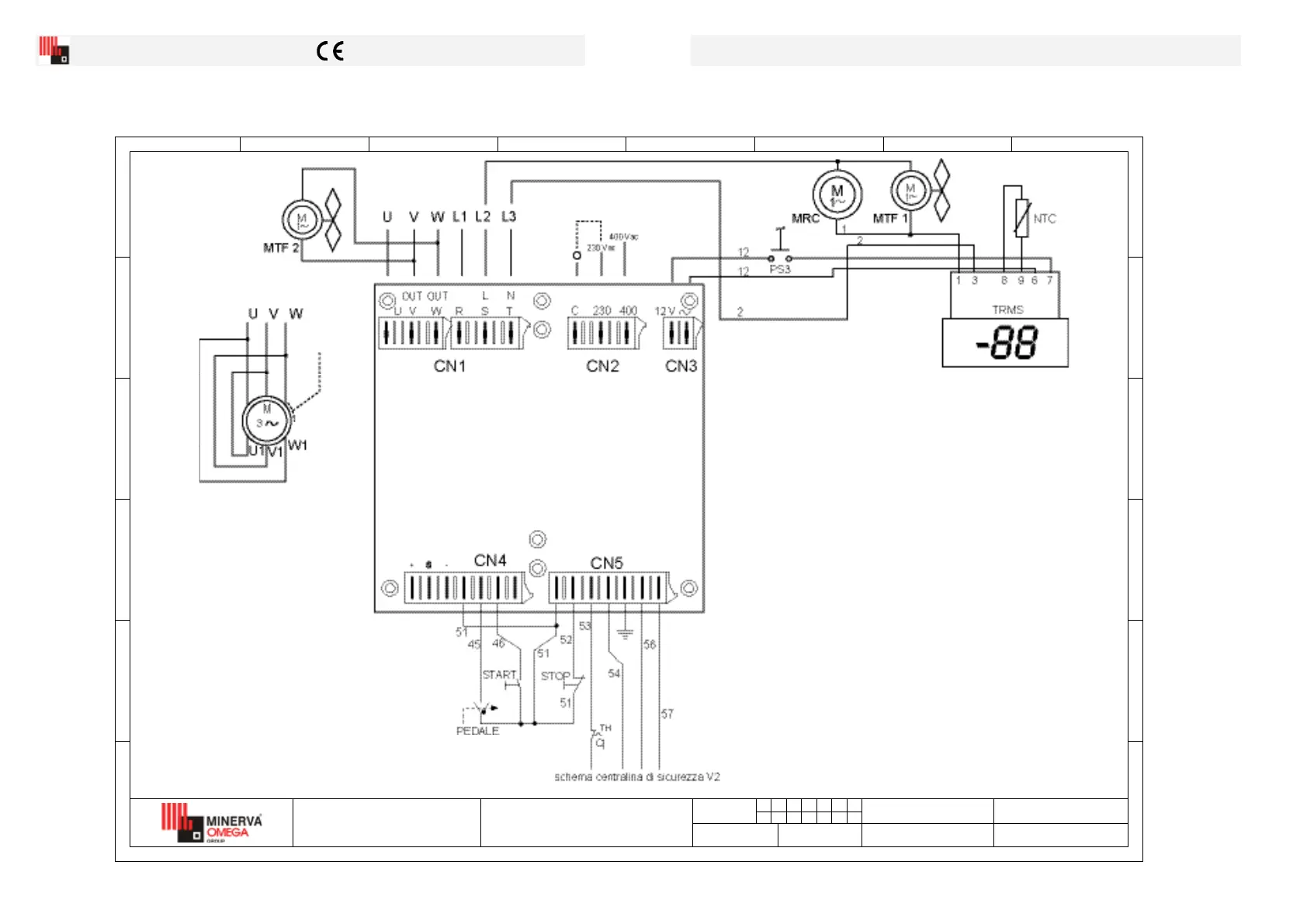
Schema elettrico trifase (230/3) / Three-phase wiring diagram / Schéma éléctrique trifasée
Dreiphasen-
schaltplan /
Trefas kopplingsschema
C/E653R
POS. ARCH.:
1
2
3 6
7
4 5
8
A
B
C
D
E
F
A
B
C
D
E
F
DENOMINAZIONE: DESCRIZIONE:
MODIFICHE:
A
B
C
D
E
F
G
DATA:
PROPRIETA’ INTERNA - RIPRODUZIONE VIETATA
DISEGNO N°:
DISEGNATORE:
NOTE:
FOGLIO:
02/06/97
A.S.C.
C700R601
2 DI 5
C/E 653 R
SCHEMA ELETTRICO TRIFASE 230V

Related product manuals