EasyManua.ls Logo

MINERVA OMEGA C/E 652 - Page 52

Default Icon
66 pages
Print Icon
To Next Page IconTo Next Page
To Next Page IconTo Next Page
To Previous Page IconTo Previous Page
To Previous Page IconTo Previous Page
Loading...
52
HAM11-001 - rev. 02-08-03-13
POS. ARCH.:
1
2
3 6
7
4 5
8
A
B
C
D
E
F
A
B
C
D
E
F
DENOMINAZIONE: DESCRIZIONE:
MODIFICHE:
A
B
C
D
E
F
G
DATA:
PROPRIETA’ INTERNA - RIPRODUZIONE VIETATA
DISEGNO N°:
DISEGNATORE:
NOTE:
FOGLIO:
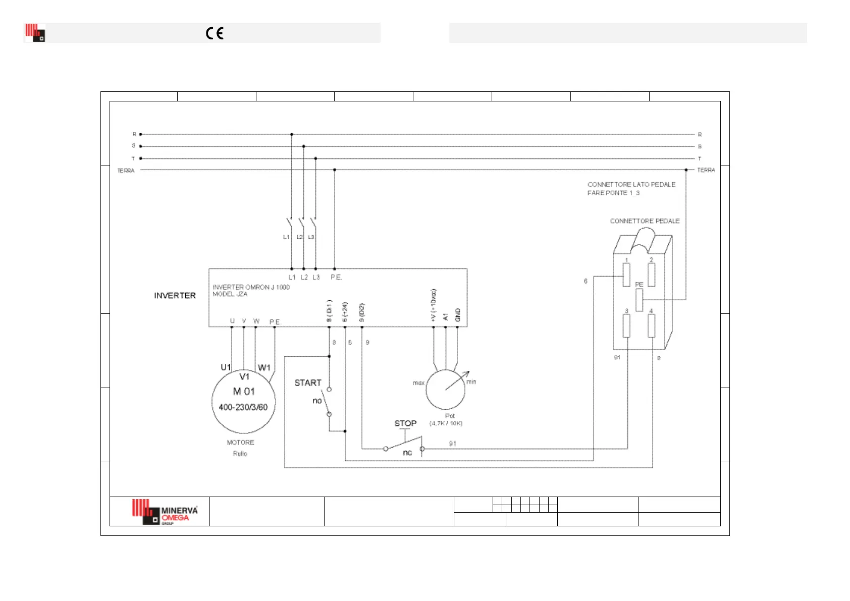
SCHEMA INVERTER
01/03/06
A.S.C.
H.CEVV 2013.00.01
1/1

Related product manuals