EasyManua.ls Logo

Mitsubishi MR-JE-200A - Configuration Including Peripheral Equipment

Mitsubishi MR-JE-200A
396 pages
To Next Page IconTo Next Page
To Next Page IconTo Next Page
To Previous Page IconTo Previous Page
To Previous Page IconTo Previous Page
Loading...
1. FUNCTIONS AND CONFIGURATION
1 - 7
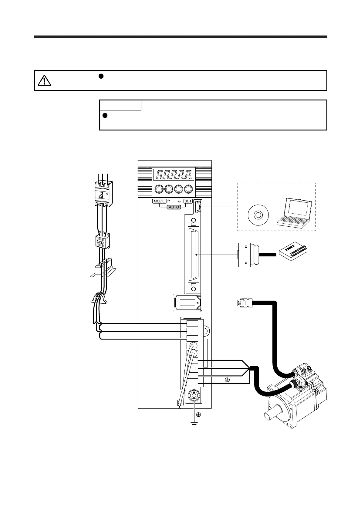
1.4 Configuration including peripheral equipment
CAUTION
Connecting a servo motor of the wrong axis to U, V, W, or CN2 of the servo
amplifier may cause a malfunction.
POINT
Equipment other than the servo amplifier and servo motor are optional or
recommended products.
(1) MR-JE-100A or less
The diagram shows MR-JE-40A.
Power factor
improving AC
reactor
(FR-HAL)
Line noise filter
(FR-BSF01)
CN3
Servo motor
Personal
computer
MR Configurator2
CN1
CN2
W
V
U
Magnetic
contactor
(MC)
L1
L2
L3
(Note 2)
Molded-case circuit
breaker (MCCB)
RS
Junction terminal block
T
Power supply
(Note 1)
Note 1. For 1-phase 200 V AC to 240 V AC, connect the power supply to L1 and L3. Leave L2 open. For power supply specifications,
refer to section 1.3 of "MR-JE-_A Servo Amplifier Instruction Manual".
2. Depending on the power supply voltage and operation pattern, a bus voltage may drop, causing dynamic brake deceleration
during forced stop deceleration. When dynamic brake deceleration is not required, delay the time to turn off the magnetic
contactor.

Table of Contents

Related product manuals