EasyManua.ls Logo

Motorola CDM Series - Page 366

Motorola CDM Series
686 pages
To Next Page IconTo Next Page
To Next Page IconTo Next Page
To Previous Page IconTo Previous Page
To Previous Page IconTo Previous Page
Loading...
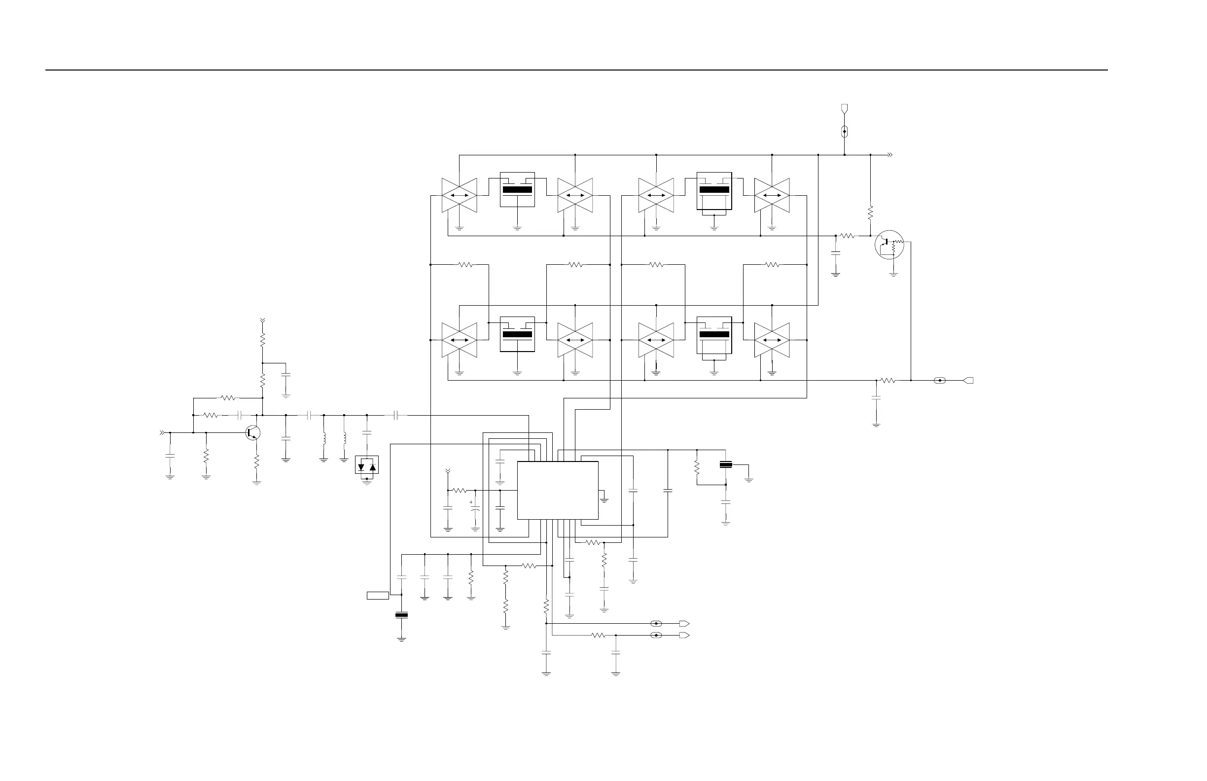
Section 7: 4-14 Low Band Range 1 (29.7–36 MHz) PCBs, Schematics, and Parts Lists
6881091C63-F
3.10 V
5V (20KHz, 30KHz)
0V (12.5KHz)
+13 dBm
120 mV rms
0.78 V
0.025 V
-20 dBm
RSSI_IF_1
U1101-3
MC74HC4066
6
CNTL
89
14
VDD
7
VSS
R1137
12K
C1129
22pF
R1120
10K
R1130
51
.01uF
R1124
FN0:NP
C1140
11 10
14
VDD
7
VSS
0
U1102-4
MC74HC4066
12
CNTL
R1129
47K
47K
DISCAUDIO
C1139
10K
680
.01uF
0.1uF
R1136
C1130
C1135
0.1uF
68pF
R1121
C1148
GND1
3
GND2
4
1
IN
2
OUT
8.2K
R1132
CFWC455F
FL1106
R1131
2.4K
Q1105
15K
3.3K
R1133
0
R1126
FN0:NP
0
R1125
FN0:NP
2
3
1
120pF
D1101
Y1101
08W08
10.245
2
1
C1137
0
R1127
FN0:NP
GND1
3
4
GND2
1
IN
2
OUT
CFWC455E
FL1107
R1119
C1127
10uF
C1126
27K
1.2K
0.1uF
R1123
Q1106
FN0:NP
C1121
0.1uF
C1134
0.1uF
6.8uH
L1112
10
R1138
62pF
C1122
CNTL
5
43
VDD
14
VSS
7
FN0:NP
14
VDD
7
VSS
MC74HC4066
U1102-2
U1102-1
MC74HC4066
13
CNTL
12
0.1uF
C1142
3
2
1
DISCAUDIO_IF_1
R1115
455KHz
45B02
Y1102
R1122
12K
C1131
10K
C1141
FN0:NP
1.5pF
C1124
0.1uF
C1136
0.1uF
0.1uF
C1133
.039uF
C1125
0.1uF
QUADIN
10
RFIN
1
RFIN_DEC
2
RSSIOUT
5
RSSI_FEED
9
6
VCC
IFAMP_DEC2
17
LIMIN
14
LIMOUT
11
LIM_DEC1
13
LIM_DEC2
12
20
MIXOUT
OSCIN
4
OSCOUT
3
AUDIOOUT
8
AUDIO_FEED
7
GND
15
IFAMPIN
18
IFAMPOUT
16
IFAMP_DEC1
19
U1103
SA616
GND
3
IN
1
OUT
2
R1128
10K
FL1104
CFUCJ455F
10
VDD
14
VSS
7
BWSELECT
R1139
2.7
MC74HC4066
U1101-4
CNTL
12
11
C1128
0.1uF
6
CNTL
89
14
VDD
7
VSS
GND
3
IN
1
OUT
2
U1102-3
MC74HC4066
R1117
FL1105
CFUCJ455E
43
14
VDD
7
VSS
330
C1138
U1101-2
MC74HC4066
5
CNTL
0.1uF
6.8K
R1116
BWSELECT_IF_1
5V_IF_1
5V
FN0:NP
FN0:NP
L1109
6.8uH
FN0:NP
150pF
C1151
C1123
33pF
VDD
14
VSS
7
2K
R1118
MC74HC4066
U1101-1
CNTL
13
12
C1145
4700pF
RSSI
0.1uF
C1143
5V
5V
9V3
P
REAMP_IN
FL0830691
O
Low Band Range 1/2/3 IF Sheet 2 of 2 (for PCBs 8486206B06, 8486207B05, and 8485908Z02)

Table of Contents

Other manuals for Motorola CDM Series

Related product manuals