10-25 Chapter 10: Digrams and Parts Lists:
December 6, 2004 68P81083C20-D
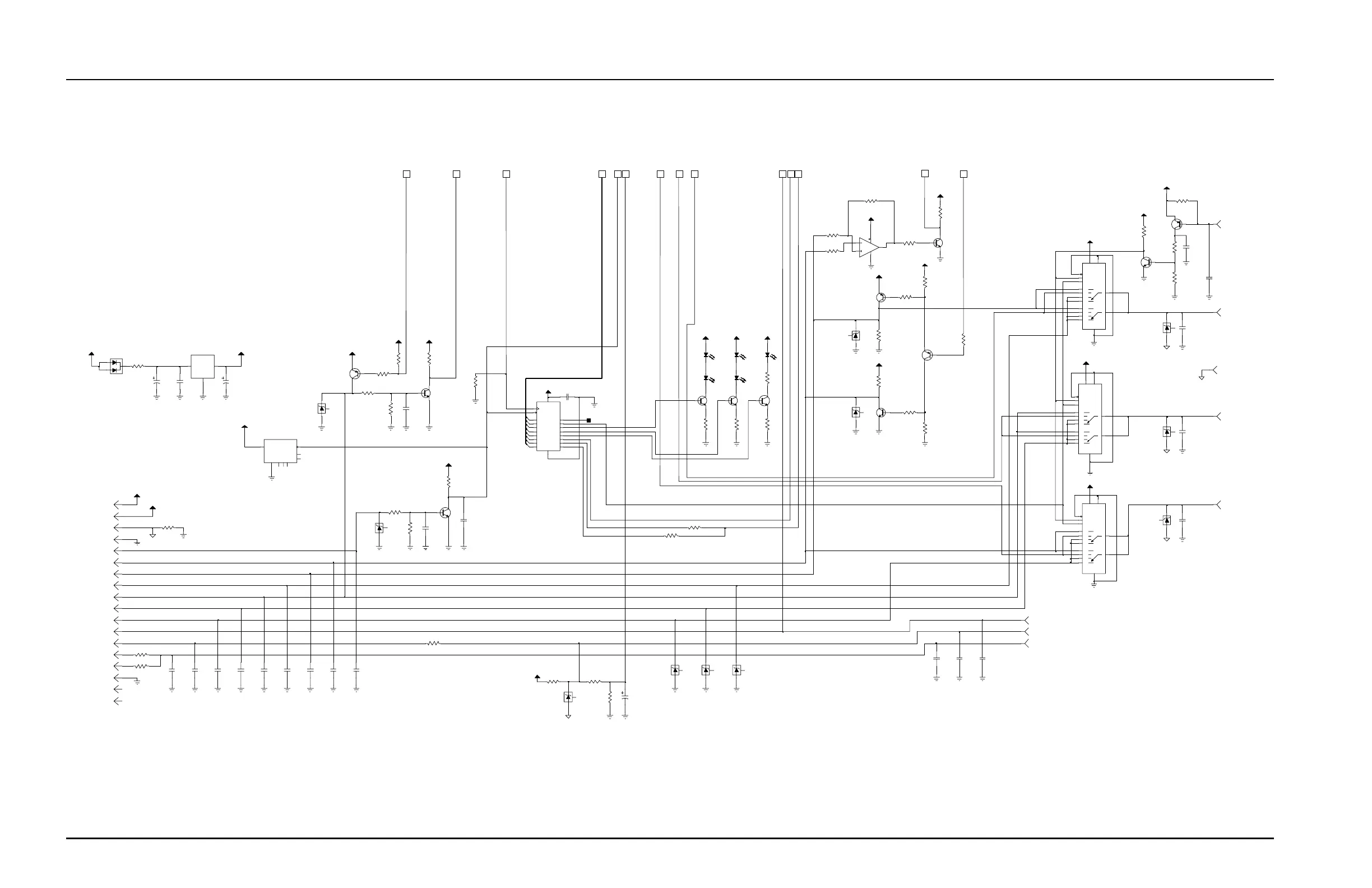
Figure 10-11. Control Head Model III Schematic Diagram - 2 of 2
10 11 12
13
987654321 14
!!!!!!R0665!ONLY!MOUNTED!IN!HANDSET!CONFGURATION!(SDLN4193A)
!!!!!!ONLY!ONE!OF!R0664!AND!R0665!MUST!BE!MOUNTED.
NOTE:!R0664!ONLY!MOUNTED!IN!SPEAKER!MICROPHONE!CONFIGURATION.
10
R0691
47 K
3
WE
R0719
10K
RESET
Q0660
D0661
20V
10K
R0717
D0668
5.6V
VCC
D0722
5.6V
PTT/BUS-/WE
6
Q0665
U0650
GND
2
GND
1
INPUT
3
OUTPUT
C0675
MIC/ON_OFF
5
3.3K
R0744
MIC/ON_OFF
9
VCC
VCC
Y2
2
Y3
4
VCC
X
13
X0
12
X1
14
X2
15
X3
11
Y
3
Y0
1
Y1
5
U0658
A
10
B
9
EN
6
GND
8
VCC
16
VEE
7
74HC4052
J0650
8
R0651
10
HANDSET_AUDIO
TP4
2.2uF
C0677
Q0654
2.2K
R0727
8
10uF
C0651
SPEAKER+/HANDSET_AUDIO
C0662
470pF
C0679
470pF
14
11
SB9600_BUSY
KEY/FAIL
A+
VCC
3906
Q0661
VCC
13
D0660
5.6V
DIGITAL_GND
47K
SW_B +
R0730
5
470pF
C0678
0
D0664
5.6V
0.1uF
C0666
470pF
C0663
470
R0705
C0676
470pF
3
NC
5
NC
6
NC
7
NC
8
NC
1
RESET
U0660
MC33064
4
GND
2
INPUT
470pF
470pF
C0674
R0690
100K
R0720
10K
470pF
470pF
P0651
C0680
R0677
2K
R0679
4.7K
390
R0704
MJD210
Q0664
R0728
10K
D0667
5.6V
YELLOW
D0719
5
D0666
5.6V
NC
D0721
5.6V
OPTION_SW_B+
1
3
MONITOR/BUSY/KID
1
D0665
5.6V
10K
15
SPKR
-
2
R0678
SB9600_BUS +
15
X3
11
Y
3
Y0
1
Y1
5
Y2
2
Y3
4
9
EN
6
GND
8
VCC
16
VEE
7
X
13
X0
12
X1
14
X2
74HC4052
U0657
A
10
B
Q0659
2
VCC
NC
6
A+
2.2K
R0721
SW_B +
18
10K
R0680
SW_B+
10K
R0682
9
Q3
12
Q4
Q5
15
16
Q6
19
Q7
1
RESET
20
VCC
8
13
D4
14
D5
17
D6
18
D7
10
GND
2
Q0
5
Q1
6
Q2
U0654
74HC273
11
CLK
3
D0
4
D1
7
D2
D3
330
R0703
A+
Q0658
47K
R0731
22K
R0683
R0706
VCC
390
RED
D0726
6
10
D0669
5.6V
R0663
C0657
470pF
4.7uF
C0667
Q0657
470
R0729
R0724
10K
17
SW_B+
A+
Q0663
2
7
SPEAKER-/KEYLOAD
470pF
R0723
4.7K
12
C0658
KID
GND
4
C0653
470pF
R0732
51
4
.220uF
C0650
470pF
C0660
R0716
10K
C0659
3906
VCC
470pF
Q0662
3906
Q0653
.220uF
C0684
0
R0665
C0661
470pF
Y3
4
D0663
RED
X0
12
X1
14
X2
15
X3
11
Y
3
Y0
1
Y1
5
Y2
2
74HC4052
U0659
A
10
B
9
EN
6
GND
8
VCC
16
VEE
7
X
13
NC
16
R0676
4.7K
D0659
5.6V
A+
R0664
0
Q0655
VCC
C0655
6
5
7
8
4
470pF
7
R0684
4.7K
U0656
MC33072
ANALOG_GND
SW_B+
SPKR
+
1
4
R0733
4.7K
SB9600_BUS -
VCC
.01uF
C0685
R0681
22K
470pF
C0656
R0725
5.7K
VCC
4.7K
R0689
VCC
VCC
VCC
VCC
10K
R0722
3
10K
R0726
10uF
C0690
R0718
100K
470pF
C0654
1
2
3
AUX/BUS+/KEY_FAIL
7
D0718
NEG
D0730
DATABUS(7:0)
YELLOW
D0662
MAEPF-28095-O