EasyManua.ls Logo

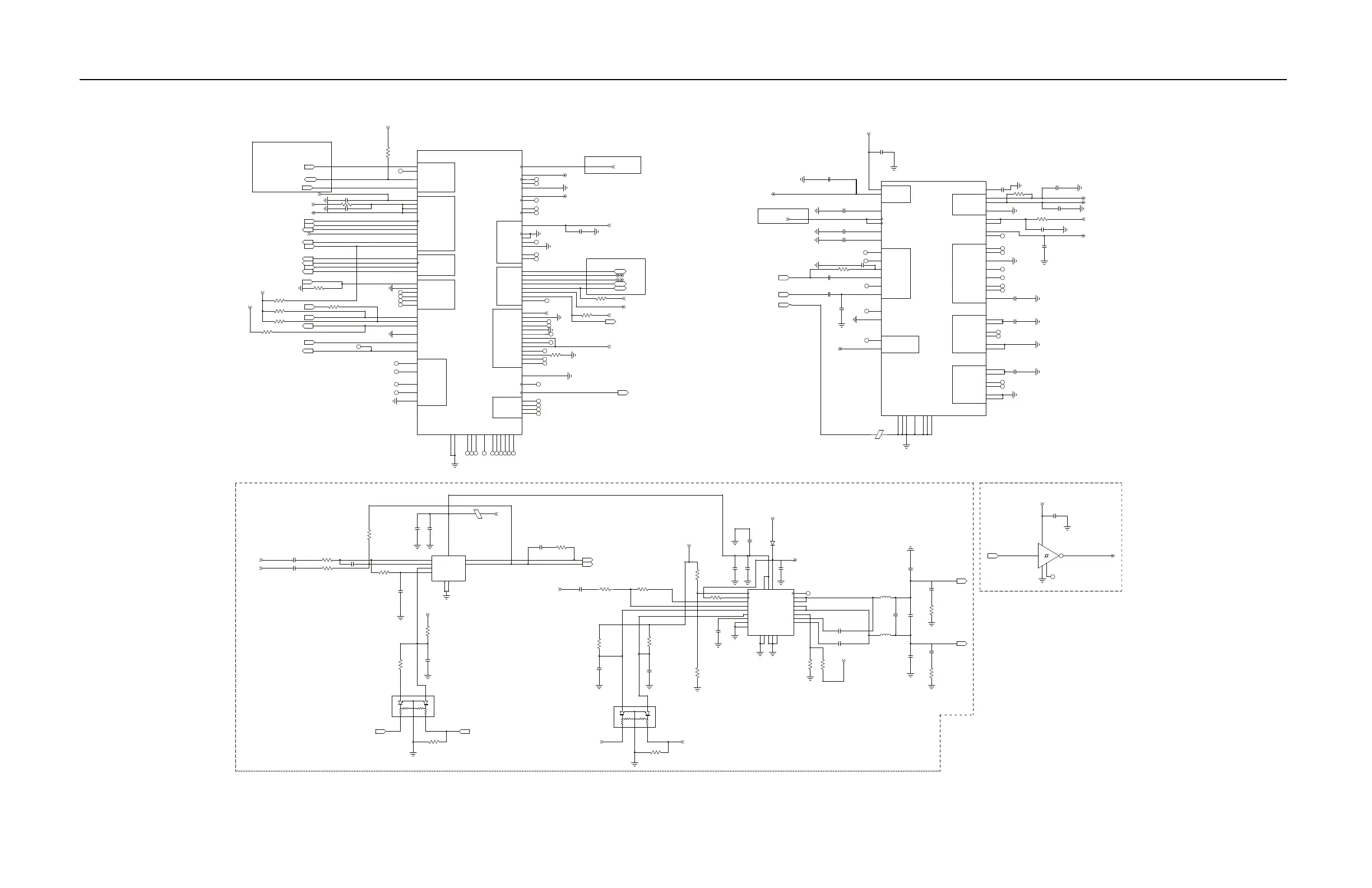
Motorola MOTOTRBO XPR 7550e - Figure 6-13. Power Management and Audio Schematic Diagram (2 of 3)

Motorola MOTOTRBO XPR 7550e
205 pages
To Next Page IconTo Next Page
To Next Page IconTo Next Page
To Previous Page IconTo Previous Page
To Previous Page IconTo Previous Page
Loading...
Circuit Board/Schematic Diagrams and Parts List for UHF 6-15
R3101
R3123
C3100
R3106
C3101
SPI0_CLK
AUDIO_SSI_DATA_RX
STANDBYPRI
ONEWIRE_GCAI
BATT_DATA
INTPRI
DVFS
AUDIO_SSI_DATA_TX
AUDIO_SSI_CLK_SHIELD
AUDIO_SSI_FSYNC
ROD_TTR
DC_SW3_1.8V
SPI0_CS2_CPCAP_INV
SPI0_MISO
SPI0_MOSI
PRISPIVCC
DC_SW3_1.8V
IN
IO
IN
OUT
IN
IN
OUT
OUT
IN
IN
OUT
IN
OUT
NC
DC_LIN_5V
J14
M12
R13
T10
M10
P10
V14
R11
R12
T13
M9
T8
K16
V18
T15
P13
R14
N16
P12
J11
B13
R6
T6
T11
M11
A4
D1
G18
F18
P11
N2
A3
F1
T16
W14
NC
NC
NC
NC
NC
NC
NC
NC
R3010
TP_LOWBATB
LOWBATB
RESETB
ADTRIG
SYSRSTRTB_CPCAP
SYSRSTRTB
1
IN
IN
IN
OUT
OUT
R3104
R3103
R3102
R3105
DC_SW3_1.8V
PRISPIVCC
WDI
R3375
R3108
R3107
USBGPIOSW
PRISPIVCC
VC
HIP
VC
DC_LIN_5V
NC
NC
NC
NC
NC
NC
NC
NC
OUT
GPIO3_GCAI
CLK32KHZMCU
GPIO2_GCAI
GPIO4_GCAI
GPIO0_GCAI
GPIO1_GCAI
NC
NC
NC
IO
IO
IO
OUT
NC
NC
C3102
ESW2EN
DC_SW3_1.8V
VGCAIEN
CLK_ROD_19_2MHZ_SHIELD
P6
M14
L14
C15
P14
C17
G13
G12
F12
F13
H14
L7
L16
H6
J6
G7
F7
G14
D3
F16
F14
E15
V9
N7
P7
R7
R8
P8
R9
P9
C3
U18
F15
E16
K14
G15
L15
G6
G8
F8
J12
L12
A13
H15
NC
NC
NC
NC
NC
NC
NC
NC
U3000
INTERFACE AND
CONFIGRATION
CPCAP4
1-Wire
PROCESSOR
SECONDARY SPI
PRIMARY SPI
STANDBYPRI
INTPRI
PRIMISO
PRICE
PRIMOSI
PRISPICLK
PRISPIVCC_P2
PRISPIVCC_P3
PRIMCUVCC
PRISPIVCC_P1
ONEWIREM
ONEWIRED
ONEWIRE1
ONEWIRE2
SECMOSI
SECSPICLK
SECCE
SECMISO
SECSPIVCC
MACEKEY
MACECLK
FAULT2
ESW2CLK
ESW2EN
REFCLKIN
VGCAIEN
ILIMSEL
ESW1CLK
AUDIO SSI
SCALING
GPIO
DYNAMIC VOLTAGE
STATIC CONFIGURATION PINS
ADTRIG
FLASHTRIG
RESETB
SYSRSTRTB
WDI
GPIO9
GPIO8
SCL4
SDA4
SDA1
SCL1
TX0
BITCLK0
RX0
FSYNC0
CLK32KSTRTUP
CLKPGMS1
CLKPGMS0
CONFIG2
CONFIG1
PGM1
UNG
PGM2
PGM0
GPIO7
GPIO6
GPIO5
GPIO2
GPIO1
GPIO0
GPIO4
GPIO3
INTSEC
STANDBYSEC
UART PINS
USB PINS FROM MUX
XCVRGND
DP_NC
DM
TESTEN_P1
TESTEN_P2
TESTVAN2_P1
TESTVAN2_P2
HDM_DP
HDP
LOWBATB
TESTVAN2_P3
NC
SPARE_P1
NC
NC
NC
NC
NC
CTS_HOST1
RTS_HOST1
RXD_HOST12
TXD_HOST1
CLK32KHZ
CLK32KHZMCU
SKIP_DISABLE
BATVAR
RX_LOW_LAT
ON_TYPE
CHRGMODE
Y20
Y19
W20
B20
A20
E8
F6
E18
M15
V8
H16
K15
NC
NC
NC
NC
NC
NC
NC
NC
NC
NC
C3024
U3000
C3113
C3114
C3115
R3115
C3116
R3116
VAUDIO
VAUDIO_RX
EAR_M
LINE_OUT
EAR_P
VREF_AUD_RX
V4
R18
W10
W17
W15
W8
W9
W7
Y8
Y10
Y6
W5
V7
V10
NC
NC
NC
NC
NC
NC
C3126
C3127
LDSP_R
CP_VDD
Y15
Y17
V15
V17
V16
W16
Y13
Y11
V13
V11
W12
V12
Y4
W6
NC
NC
NC
C3128
LDSP_L
NC
NC
AUDIO
CPCAP4
MICROPHONES
HEADSET
EARPIECE
AUDIO LDO
BANDGAP_BYPASS
VDD_AUD_RX1
VAUDIO
VREF_AUD_RX_TESTVAN1
MIC_BIAS_2
EARM
HS_R_OUT
HS_L_OUT
AUD_GND_P6
MIC_IN_2L
MIC_BIAS_1R
MIC_IN_1R
MIC_BIAS_1L
VREF_AUD_TX
CLK_IN1
CLK_IN0
VAUDIOIN
VREF_PLL
HS_VSS
CP_NEG_VOUT
CP_FLYM
CP_FLYP
LINE_OUT_R
VDD_AUD_RX2
LINE_OUT_L
AUD_GND_P4
EARP
E3100
Y2
Y1
W1
V5
R15
R16
V6
EXTERNAL AUDIO
PA ENABLES
LOUD SPEAKER RIGHT
LOUD SPEAKER LEFT
AUD_GND_P1
AUD_GND_P2
AUD_GND_P3
AUD_GND_P5
LDSP_L_VIN_P1
AUD_GND_TESTVAN3_P1
AUD_GND_TESTVAN3_P2
AUD_GND_TESTVAN3_P3
EAPAEN2
HS_INT
PTT_DET
EAPAEN1
MIC_IN_HS
LDSP_L_GND_P2
LDSP_L_GND_P1
LDSP_LM
LDSP_R_GND_P2
LDSP_R_GND_P1
LDSP_LP
LDSP_L_VIN_P2
LDSP_R_VIN_P1
LDSP_R_VIN_P2
LDSP_RM
LDSP_RP
CP_VDD
P19
V1
U2
U1
W11
W2
V2
V3
Y3
W4
W3
W13
K12
R10
N15
P15
P2
C3107
C3106
C3110
R3370
C3111
C3112
C3200
VRFE_AUD_TX
BANDGAP_BYPASS
CLK_ROD_19_2MHZ_SHIELD
EXT_MIC_IN_HS
INT_MIC
EN_INT_SPKR
MIC_IN_1R
MIC_BIAS_1R
MIC_GND
EXT_MIC
NC
NC
NC
NC
NC
IN
IN
IN
C3103
C3104
C3105
VRFE_PLL
VAUDIO
DC_SW_BP_3.6V
C3160
U3160
PRISPIVCC
SPI0_CS2_CPCAP_INV
SPI0_CS2_CPCAP
5
4
1
2
3
NC
OUT
GND
NC
VCC
IN
IN
C3375
C3374
C3376
C3372
C3373
R3359
R3358
INT_M_FIL
INT_SPKR_P
INT_P_FIL
INT_SPKR_M
OUT
OUT
C3371
L3002
L3001
C3369
C3370
R3355
R3354
INT_SPKR_POS
DC_SW_BP_3.6V_DIG
BOOT_POS
BOOT_NEG
INT_SPKR_NEG
R3006
U3350
C3368
BIAS
SYNC
SDA_VOL
SCLK
14
13
12
19
6
5
16
3
22
21
2
1
18
17
20
8
11
9
7
25
4
15
10
23
24
BOOT_NEG
VDD
OUT_NEG2
OUT_NEG1
OUT_POS2
EP
PGND2
PGND1
GND2
GND1
ADDR1
BIAS
MUTE
SHDN
IN
FB
SYNC
SCLK
SDA_VOL
BOOT_POS
PVDD2
ADDR2
PVDD1
SYNCOUT
OUT_POS1
NC
D3000
C3367
C3411
C3366
C3178
DC_SW_BP_3.6V_DIG
DC_SW_BP_3.6V
R3183
DC_SW_BP_3.6V_DIG
R3182
R3176
C3173
PA_IN_SE_1
PA_IN_SE_3
PA_IN_SE_2
INT_SHDN
INT_MUTE
R3181C3177
EXT_SPKR_P
EXT_SPKR_M
LINE_OUT
EXT_SPKR_FIL
OUT
OUT
U3170
RAWB+_PA_VDD
EXT_PA_MODE
6
2
8
5
1
3
4
7
G1
VCC
IN_POS
SVR
MODE
GND
CTGND
IN_NEG
OUT_POS
OUT_NEG
C3175
R3170
SVR
INLNEG
INLPOS
R3186
C3176
R3367
Q3170
EXT_PA_MUTE
PA_MUTE
3
1
4
5
2
E2
B1
E1
C2
C1
IN
R3185
PA_MODE
IN
R3171
R3174
C3181
R3175
C3171
C3172
EAR_P
EAR_M_IN1
EAR_M
EAR_P_IN1
E3105
C3179
C3120
DC_RAWB+
RAWB+_PA_VDD
R3353
R3178
C3387
R3180
C3388
Q3179
R3374
EN_INT_SPKR
PA_MUTE
3
1
4
5
2
E2
B1
E1
C2
C1
CPCAP ONE WIRE
CPCAP
USB 19.2MHz
CPCAP
GPIO GCAI
CPCAP
CODEC
19.2MHz
PRI_SPI_CS INVERTER
AUDIO PA
Figure 6-13. Power Management and Audio Schematic Diagram (2 of 3)

Table of Contents

Related product manuals