EasyManua.ls Logo

moyno 2000 - Pump Operation; Initial Checks and Start-Up Procedure; Packing Leakage and Adjustment

moyno 2000
32 pages
Print Icon
To Next Page IconTo Next Page
To Next Page IconTo Next Page
To Previous Page IconTo Previous Page
To Previous Page IconTo Previous Page
Loading...
Page 4
3-1. OPERATION
3-2. INITIAL CHECK
Before putting the pump into operation, the following
items should be checked to ensure that each piece of
equipment is installed correctly:
Pump, driver, coupling or sheave alignment.
— Electrical connections.
Gauges and other instruments.
Water flush connection to the stuffing box.
— Pump rotation. Normal rotation is indicated on the
nameplate on the bearing housing.
All valves should be open on both suction and dis-
charge sides of pump.
CAUTION: This is a positive displacement pump. Do not
operate it against a closed valve.
3-3. START-UP
CAUTION: DRY OPERATION IS HARMFUL TO THE
PUMP! Never allow the pump to operate with-
out liquid, as dry operation will cause prema-
ture wear of the stator and possible damage.
The stator is lubricated by the liquid, which
is pumped.
1. Before operating the pump for the first time, fill it with
liquid (the drain plug hole on the suction housing may be
used for filling). If the liquid to be pumped is highly viscous,
dilute it before filling the pump. The liquid fill-up will lubricate
the stator for the initial start-up.
2. Once the pump has been filled with liquid, check for
direction of pump rotation by momentarily starting and
stopping the drive. Check rotation arrow on pump nameplate
for correct rotation.
3. In suction lift applications, when water flush is not
utilized it may be necessary to replace the zerk fittings at the
stuffing box (in suction housing) with pipe plugs to prevent
loss of prime due to air leakage.
4. If applicable, turn on the water to the packing.
5. Start pump.
3-4. PACKING LEAKAGE
A packed stuffing box is designed to control leakage, not
stop it completely. Leakage is generally necessary to reduce
friction and dissipate heat. The amount of leakage necessary
will depend on the fluid pumped, the installation, and
pump.speed and type. Refer to Section 4-3 for packing
adjustment.
Moyno 2000 pumps have been designed for minimum
stuffing box leakage when properly maintained. If leakage
cannot be tolerated, then a mechanical seal should be used.
4-1. MAINTENANCE
Note: In this section, the first reference to each pump part
will be followed by a number or a letter in parentheses
( ). These numbers and letters are those used to
identify the pump parts and hardware items in the
fold-out Exploded View (Figure 4-8).
4-2. GENERAL
The Moyno 2000 pump has been designed for a minimum
of maintenance, the extent of which is routine adjustment
and lubrication of packing. The pump is one of the easiest
to work on, in that the main elements are very accessible
and require few tools to disassemble.
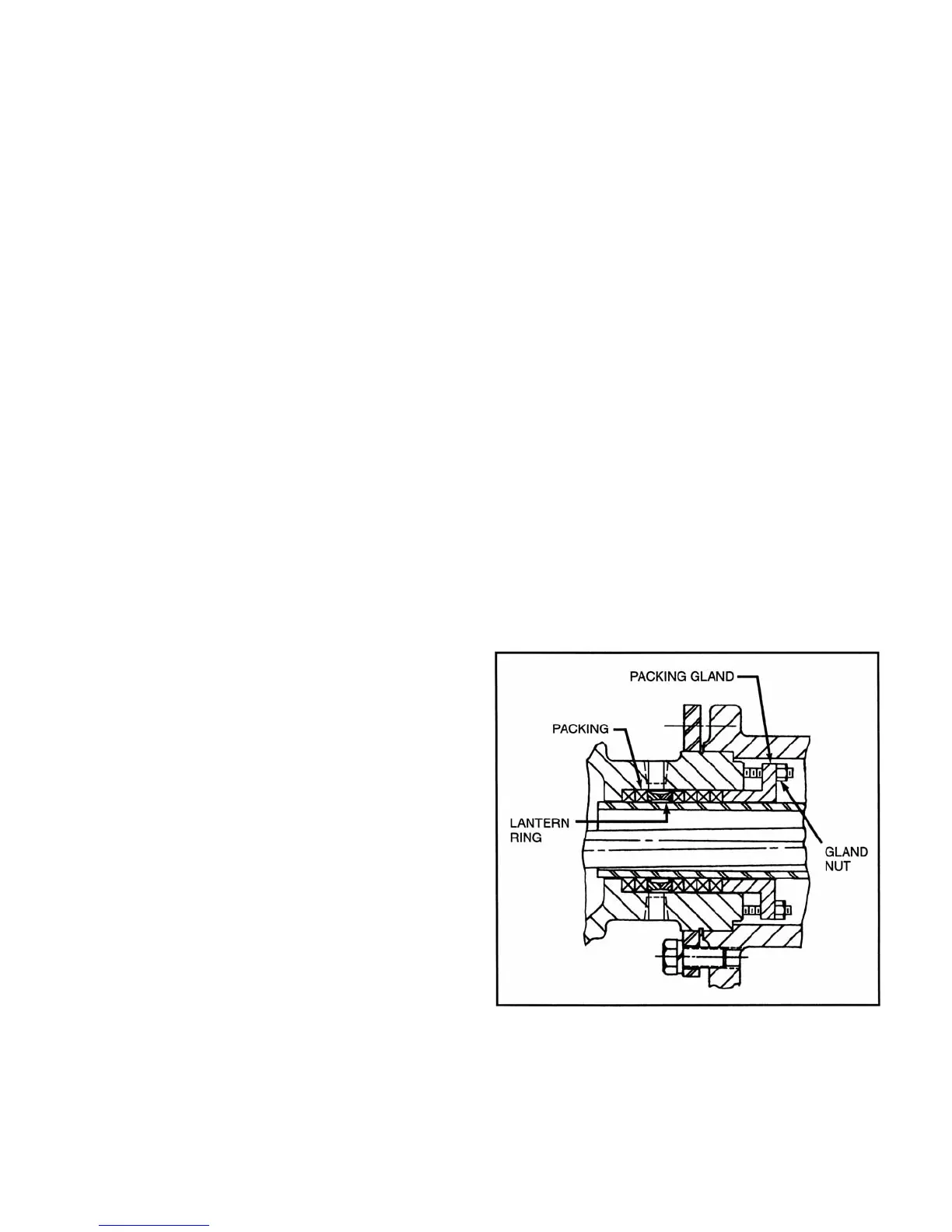
4-3. PACKING ADJUSTMENT
Packing gland nuts should be evenly adjusted so they are
little more than finger tight. (See fig. 4-1.) Over-tightening the
packing gland may result in premature packing failure and
possible damage to the shaft and gland.
When packing is new, frequent minor adjustments during
the first few hours of operation are recommended in order to
compress and seat each ring of packing evenly.
1. Upon initial start-up of the pump, adjust the gland nuts
for a leakage rate of 1-2 drops per second until the packing
has seated and adjusted to the operating temperature
(approximately 10-15 minutes).
2. If leakage is excessive after 15 minutes of operation,
tighten the gland nuts until a desired leakage rate is ob-
tained.
CAUTION: Do not tighten until zero leakage is obtained.
Over-tightening of the packing gland may
result in accelerated wear on the packing and
damage to the shaft. In those situations
where no packing leakage can be tolerated,
consult your Moyno Authorized Service
Representative.
Figure 4-1. Cross Section of Stuffing Box

Related product manuals