EasyManua.ls Logo

National Instruments PCI-6035E - Page 148

National Instruments PCI-6035E
265 pages
To Next Page IconTo Next Page
To Next Page IconTo Next Page
To Previous Page IconTo Previous Page
To Previous Page IconTo Previous Page
Loading...
Appendix A Device-Specific Information
E Series User Manual A-12 ni.com
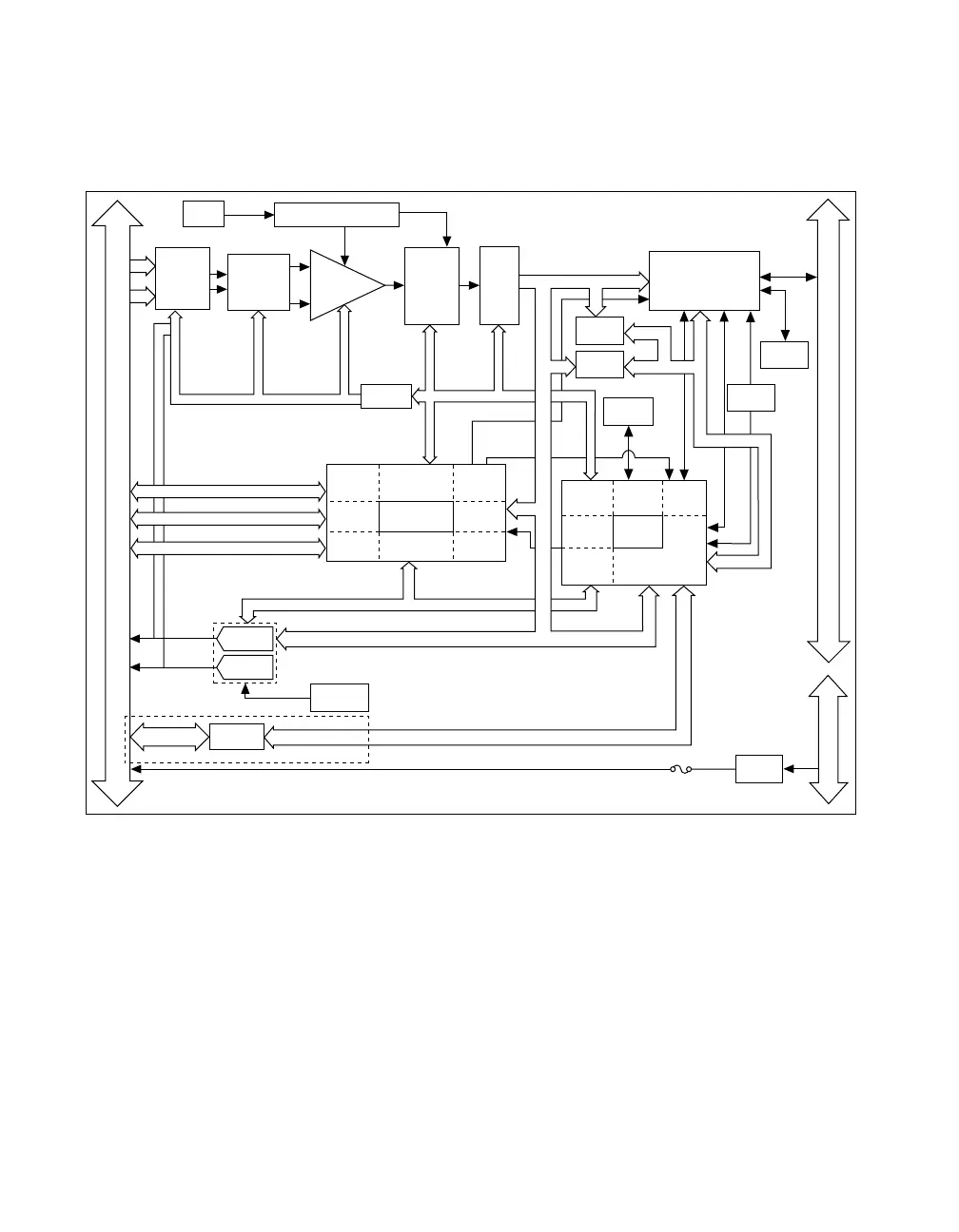
DAQPad-6015/6016 Block Diagram
Figure A-6 shows a block diagram of the DAQPad-6015/6016.
Figure A-6. DAQPad-6015/6016 Block Diagram
Config
Memory
Timing
PFI / Trigger
Digital I/O (8)
A/D
Converter
PGIA
Analog
Mode
Multiplexer
Voltage
REF
Calibration
DACs
Calibration
DACs
DAC0
DAC1
DAQ - STC
Analog Input
Timing/Control
Analog Output
Timing/Control
Digital I/O
Trigger
Interface
Counter/
Timing I/O
RTSI Bus
Interface
DMA/
Interrupt
Request
Bus
Interface
(8)
(8)
AI Control
IRQ
DMA
AO Control
Data (16)
CPLD
Data (16)
Analog
Input
Control
EEPROM
Control
DMA
Interface
DAQ-APE
DAQ-STC
Bus
Interface
I/O
Bus
Interface
Analog
Input
Multiplexer
USB
Microcontroller
+
Data (16)
DIO (24)
Program
SRAM
Firmware
Flash
Data
Calibrate
EEPROM
ADC
FIFO
Config
EEPROM
Address
82C55
Data
USB ConnectorExternal Power
5 V
Supply
1 A Fuse
DIO Control
(NI 6016 Only)
I/O Connectors
Address

Table of Contents

Related product manuals