EasyManua.ls Logo

NEC P502WL - Connecting an External Monitor

NEC P502WL
147 pages
Print Icon
To Next Page IconTo Next Page
To Next Page IconTo Next Page
To Previous Page IconTo Previous Page
To Previous Page IconTo Previous Page
Loading...
75
5. Installation and Connections
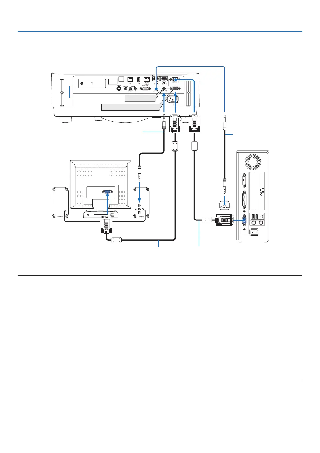
Connecting an External Monitor
Youcanconnectaseparate,externalmonitortoyourprojectortosimultaneouslyviewonamonitorthecomputer
analogimageyou’reprojecting.
AUDIO OUT
MONITOR OUT (COMP.)
Computer cable (VGA) (supplied)
Stereo mini-plug audio cable (not supplied)
Stereo mini-plug audio cable
(not supplied)
Computer cable (VGA) (not supplied)
NOTE:
• TheAUDIOOUTminijackdoesnotsupportHeadphoneterminal.
• Whenaudioequipmentisconnected,theprojectorspeakerisdisabled.
• ThesignaloutputfromtheMONITOROUT(COMP.)ofthisprojectorisforprojectingimageonexclusiveonedisplay.
• Whennosignalisappliedover3minutesintheconditionofprojectorstandbywhenNETWORKSTANDBYissetintheStandby
mode,outputfromtheMONITOROUT(COMP.)orAUDIOOUTterminalwillbestopped.Inthiscasepulloutthecomputercable
andsetitbackafterinputtingvideosignal
Monitoroutandsleepmode:
• TheMONITOROUT(COMP.)terminalwillnotworkwhen[NORMAL]isselectedfor[STANDBYMODE].
TheMONITOROUT(COMP.)terminalwillworkonlyinthesleepmode.
ApplyingasignalfromtheCOMPUTERINterminalwillputtheprojectorinthesleepmode,whichallowsyoutousetheMONITOR
OUT(COMP.)terminalandtheAUDIOOUTminijack.
Thesleepmodeisoneofthestandbymodes.Thesleepmodecannotbeselectedfromthemenu.
• Inthenetworkstandbymode,soundforthelastviewedcomputerorvideosourcewillbeheard.
BNC-to-COMPUTERINterminalconvertedsignalwillnotbeoutputinthestandbymodeandsleepmode.

Table of Contents

Other manuals for NEC P502WL

Related product manuals