EasyManua.ls Logo

Nelson N800i - Page 89

Nelson N800i
91 pages
Print Icon
To Next Page IconTo Next Page
To Next Page IconTo Next Page
To Previous Page IconTo Previous Page
To Previous Page IconTo Previous Page
Loading...
N1500i FACS Manual
84
Part No. 729-110-053 V.1.03 © 2018 Nelson Stud Welding, Inc. All rights reserved.
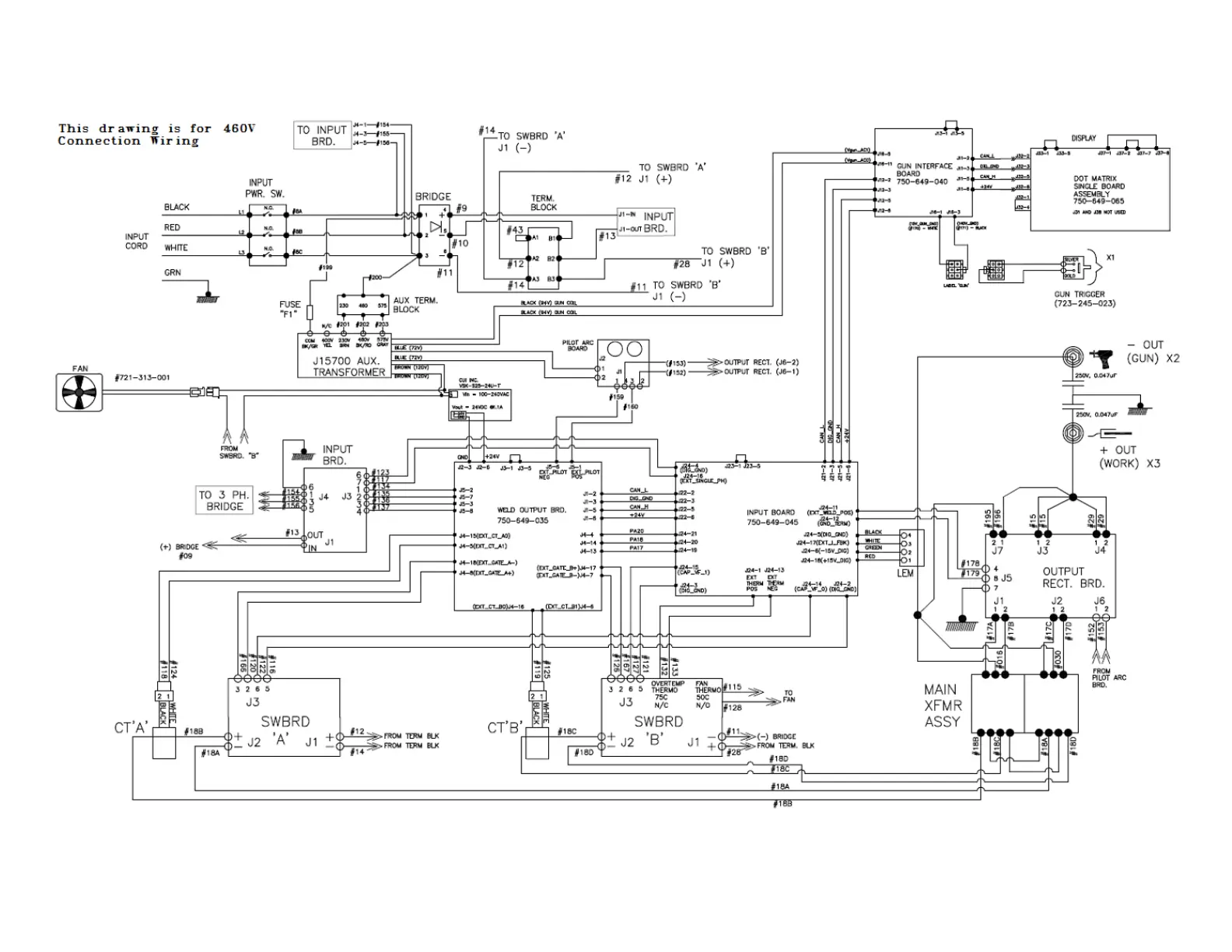
For 575 units: move the #200 wire, add the #203 wire, and change the rating plate to PN 724-574-000

Table of Contents

Related product manuals