EasyManua.ls Logo

Newave PowerScale - Page 25

Newave PowerScale
99 pages
Print Icon
To Next Page IconTo Next Page
To Next Page IconTo Next Page
To Previous Page IconTo Previous Page
To Previous Page IconTo Previous Page
Loading...
Section-1
www.newavenergy.com
04-1206_S1_NW_OPMPS_10-50kVA_GB_110201.doc Page 17/20
Printed in Switzerland – Modifications reserved
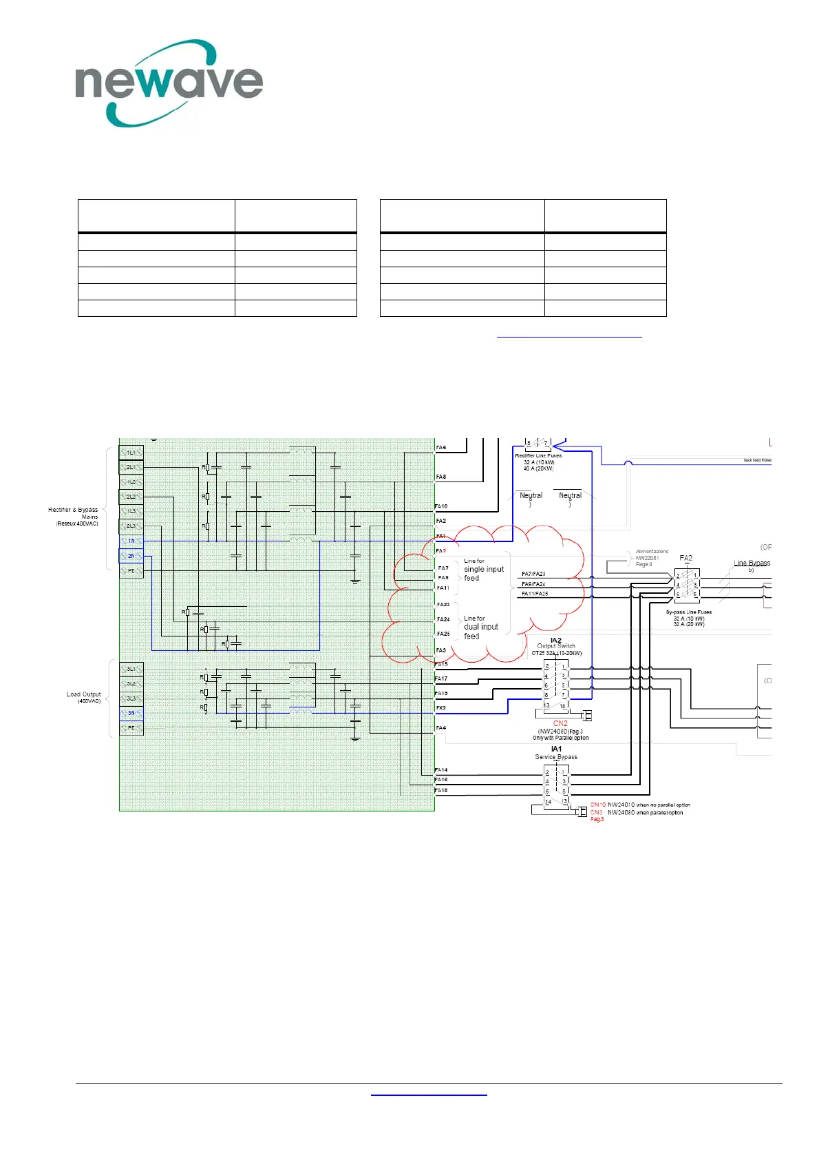
For dual input feed connect the mains input cables to UPS Terminal according to following tables:
MAINS INPUT CABLE UPS TERMINAL
Rectifier
BYPASS INPUT CABLE UPS TERMINAL
Bypass
Phase L1 1L1 Phase L1 2L1
Phase L2 1L2 Phase L2 2L2
Phase L3 1L3 Phase L3 2L3
NEUTRAL 1N NEUTRAL 2N
EARTH PE EARTH PE
For minimum recommended Input Cable Sections and Fuse Ratings Section 2, chapter 2.1.3
Under the connection terminal of the UPS there is a cable-fixing rail to ensure that the cables have been fastened
properly.
For cabinets A&B

Table of Contents

Related product manuals