EasyManua.ls Logo

Newave PowerScale - Generator on Facilities; Wavemon Shutdown and Managementsoftware; Why Is UPS Management Important; WAVEMON Shutdown and Monitoring Software

Newave PowerScale
99 pages
Print Icon
To Next Page IconTo Next Page
To Next Page IconTo Next Page
To Previous Page IconTo Previous Page
To Previous Page IconTo Previous Page
Loading...
Section-9
www.newavenergy.com
04-1206_S9_NW_OPMPS_10-50kVA_GB_110201.doc Page 3/8
Printed in Switzerland – Modifications reserved
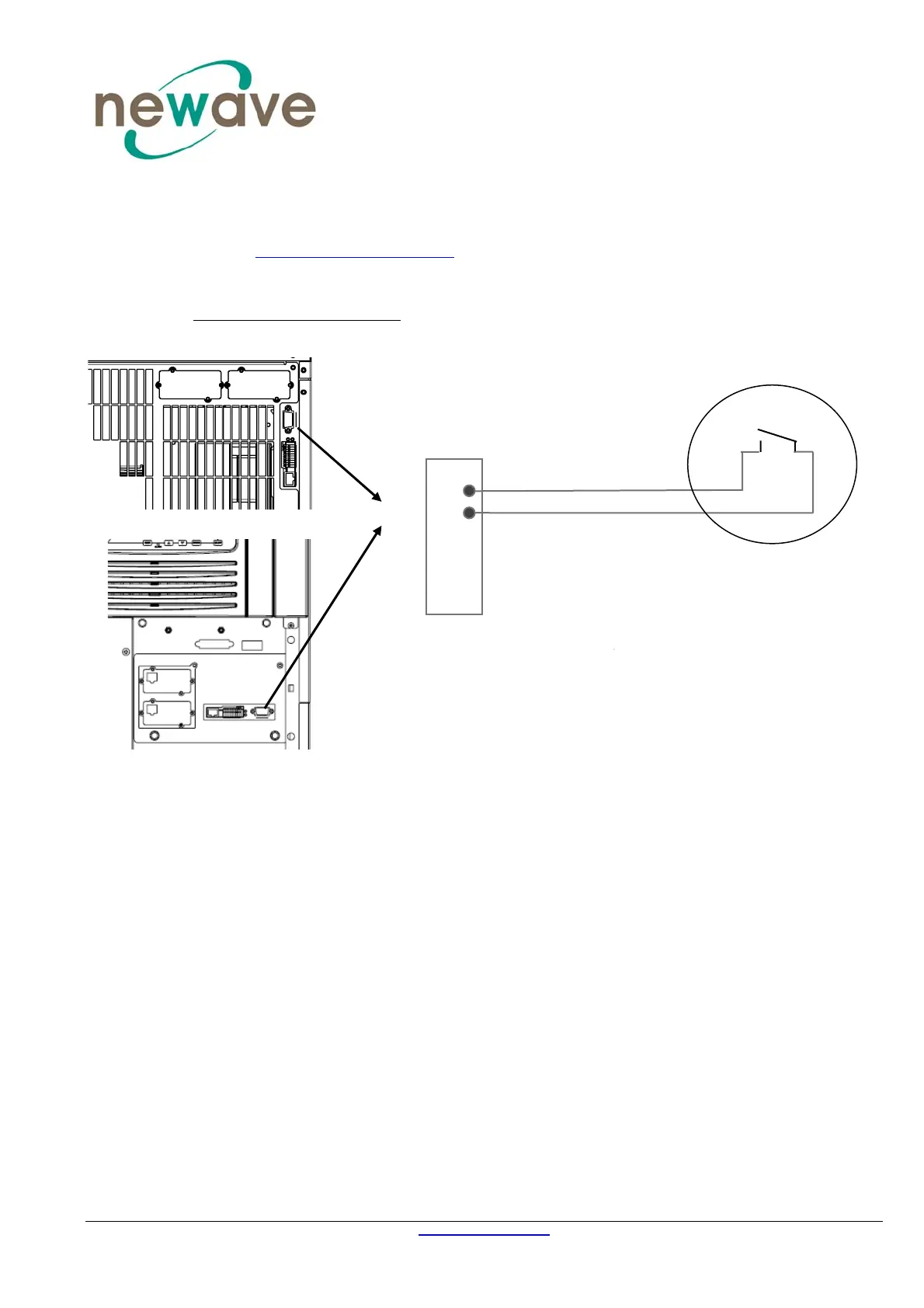
9.1.3 GENERATOR ON FACILITIES
The Generator ON facility must use a normally open contact that closes to indicate that a generator is running and
supplying input power to UPS. It is located at the bottom of the PowerScale frame on communication card with
terminal blocks X1. See Section-3, Paragraph 3.1.2.2
for details
When used, this facility disables the UPS static bypass and prevents the UPS from transferring the load on to the
generator power supply and/or block the battery charger during the time the UPS is supplied from the genset.
Please refer to Section-4, Paragraph 4.1.1.10
Generator alarm panel
UPS
Generator port
Figure 1.3: Generator ON Connection
9.1.4 WAVEMON SHUTDOWN AND MANAGEMENTSOFTWARE
9.1.4.1 Why is UPS Management important?
By combining a UPS with network management products, such as an SNMP protocol, System-administrators are
guaranteed their data and their system will constantly be protected from corruption or data loss even in the event of
an extended power failure or when batteries reach a critical low state. In the event of a power disturbance system
administrators can also monitor their network from a central location, allowing an early detection of problems. In
fact utility power is unreliable at times, ensuring that all network systems have constant power can be a difficult
task. The situation becomes even more complex if systems are managed across a Local Area Network (LAN) or
Wide Area Network (WAN) around the world.
When a power failure occurs action can be taken to protect the system and its valuable data. If no action is initiated
by the operator, this event can seriously damage the system. The UPS software will react automatically in such a
case and shutdown the operating system. NEWAVE has found it important to have a complete solution for its UPS
and is able to offer a wide range of monitoring/remote controls for assuring the maximum protection degree to the
NEWAVE customers.
9.1.4.2 WAVEMON Shutdown and Monitoring Software
WAVEMON Software is an external monitoring and shutdown software which was designed to operate with all
NEWAVE UPS products, both with the DRY PORT (Relays) on Terminal block X2 and RS232 port JD11 on the
communication card.
The software packet consists of a CD ROM for most diffused operating systems (Windows, Unix, OS/2, DEC VMS,
Novell, Apple), a standard connection and a user manual.
X1/1
X1/2
X1
Cabinets A&B
Cabinet C

Table of Contents

Related product manuals