EasyManua.ls Logo

Newave PowerScale - Page 41

Newave PowerScale
99 pages
Print Icon
To Next Page IconTo Next Page
To Next Page IconTo Next Page
To Previous Page IconTo Previous Page
To Previous Page IconTo Previous Page
Loading...
Section-2
www.newavenergy.com
04-1206_S2_NW_OPMPS_10-50kVA_GB_110201.doc Page 13/14
Printed in Switzerland – Modifications reserved
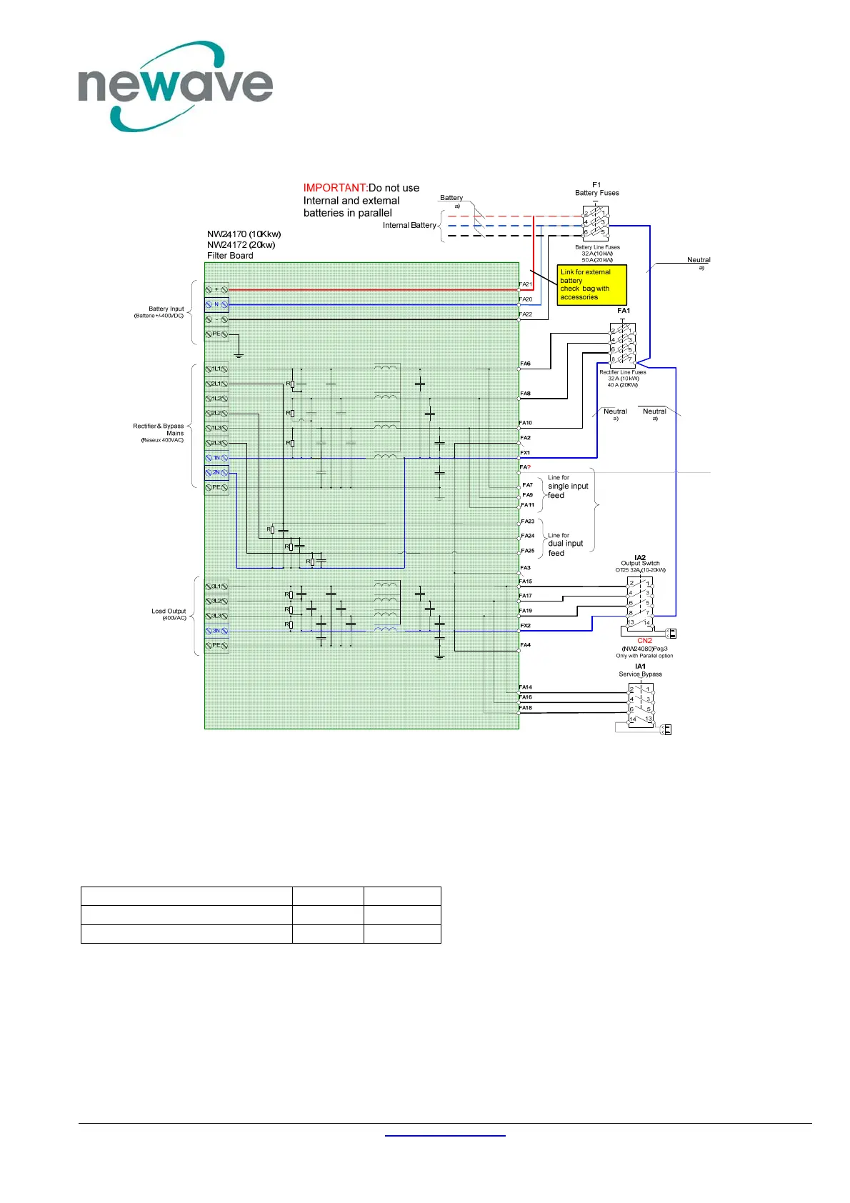
Fig. 3.2.4 UPS Configuration with external battery
If the UPS has to be configured with external batteries, the internal battery link to the position of F1
(Battery Fuse) has to be replaced by the short Links delivered separately at the bag of the accessories.
The 3 links has to be installed between the following points.
NW24170 / NW 24172 FA21 F1 / 2
NW24170 / NW 24172 FA20 F1 / 4
NW24170 / NW 24172 FA22 F1 / 6

Table of Contents

Related product manuals