EasyManua.ls Logo

Nice 7251 - 22 Irb-Ret Wiring Diagram

Nice 7251
52 pages
Print Icon
To Next Page IconTo Next Page
To Next Page IconTo Next Page
To Previous Page IconTo Previous Page
To Previous Page IconTo Previous Page
Loading...
31
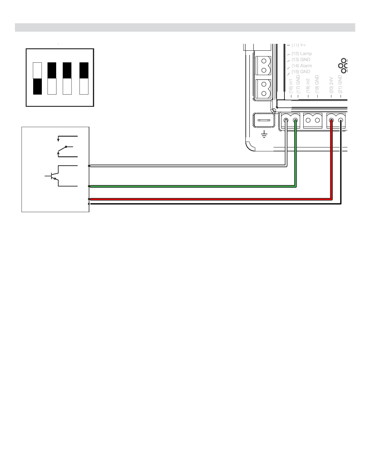
ON
2 FREQUENCY
Switch #1 - ON
Switch #2,3,4 - OFF
IRB-RET
NO
NC
C
E
VRX
COM
1 2 3 4
1. Press “Functions”
2. Select #3 “Auxiliary IO” and Press “OK”
3. Select “In Aux 1” (or “In Aux 2”) and Press “OK”.
4. Select Open Pule or Close Pulse and “Press OK”
5. Connect 300Hz Monitored Safety Device to In1 (16) or
NOTES:
*Only one monitored (Pulse) device may be connected per input at In1 or In2.
*All four (4) jumpers must be on the LEFT and CENTER pin.
*At least two monitored devices must be connected properly to 1050 boards that are UL325 7th Edition in order to
complete the “Learn” mode. A “BlueBus Error” will result if this requirement is not met.
In2 (18) accordingly.
22 - IRB-RET Wiring Diagram

Table of Contents

Other manuals for Nice 7251

Related product manuals