EasyManua.ls Logo

Nice 7251 - Page 50

Nice 7251
82 pages
Print Icon
To Next Page IconTo Next Page
To Next Page IconTo Next Page
To Previous Page IconTo Previous Page
To Previous Page IconTo Previous Page
Loading...
7251 / 7351 Slide Gate Operator
INSTALLATION AND PROGRAMMING MANUAL
50
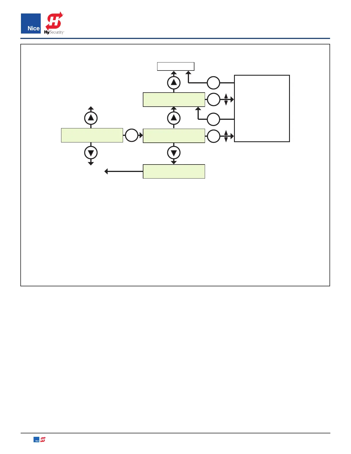
FUNCTION>RADIO CHANNEL MENU:
For the Plug-in On board Receiver, 15 radio channels may be programmed with one of the following
options:
No Program
Open (Default Ch. 2)
Close (Default Ch. 3)
Step (Default Ch. 1)
Partial (Default Ch. 4)
Partial 1
Stop
Hold To Open
Hold To Close
Timer 1
Timer 2
Photo
Lock
Unlock
Open And Lock
Close And Lock
Open And Unlock
Close And Unlock
Step H
Togle & Latch
FUNCTION BUTTON > Radio Ch.
FUNCTION
4. Radio Ch
Radio Ch
CH1 Hold to Open
Radio Ch
ESC
Radio Ch
CH2 Togler&Latch
CH2 - CH15
Togle&Latch
Step H
Cls&Unlock
Opn&Unlock
Close&Lock
Open&Lock
Unlock
Lock
Timer 2
Timer 1
Hold to
Close
Hold to open
Stop
Paral 1
Paral
Step
Close
Open
No Program
OK
OK
OK
5. Timers
(see next page)
3. Auxiliary IO
(see previous page)
OK
OK
www.ApolloGateOpeners.com | (800) 878-7829 | Sales@ApolloGateOpeners.com

Table of Contents

Other manuals for Nice 7251

Related product manuals