EasyManua.ls Logo

Nordic nRF9160 DK

Nordic nRF9160 DK
44 pages
To Next Page IconTo Next Page
To Next Page IconTo Next Page
To Previous Page IconTo Previous Page
To Previous Page IconTo Previous Page
Loading...
Hardware description
For more information, see Performance measurement mode on page 11.
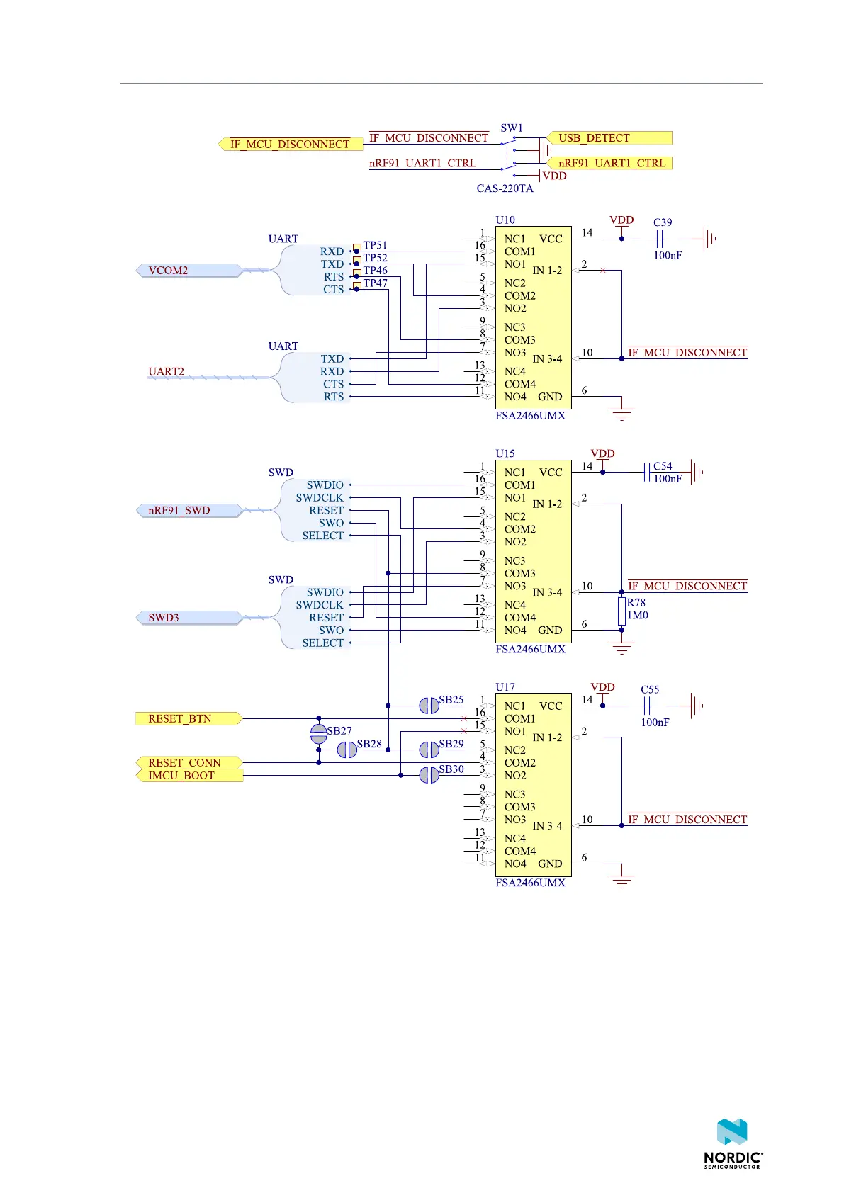
Figure 21: Signal interface switches
4.11.2 Switches for UART interface
Two UART interfaces are routed between the interface MCU and the nRF9160 SiP. These can be controlled
individually.
4418_1216 v0.9.1
28

Other manuals for Nordic nRF9160 DK