EasyManua.ls Logo

Notifier APS-6R - Wiring APS-6 R to MPS-400

Notifier APS-6R
32 pages
Print Icon
To Next Page IconTo Next Page
To Next Page IconTo Next Page
To Previous Page IconTo Previous Page
To Previous Page IconTo Previous Page
Loading...
APPENDIX B - AFP-300/AFP-400
PN 50702:B2 4/14/03 23
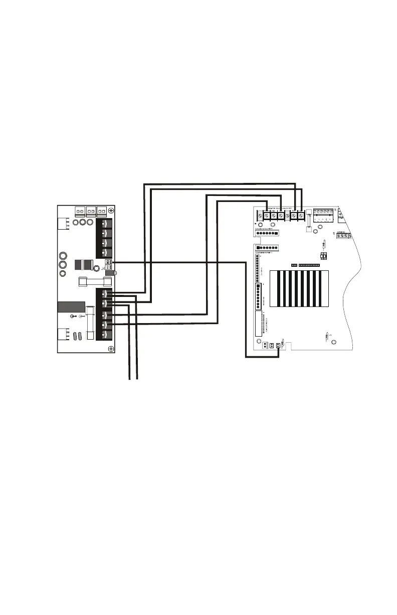
Connecting the APS-6R to an MPS-400
Make the following connections as shown in the figure below.
Connect primary power from TB1 on the APS-6R to MPS-400
terminal block TB1 (
NEU and HOT).
Connect secondary power from TB3 on the APS-6R to MPS-400
terminal block TB1 (+ and –).
Connect trouble input from J3 on the APS-6R to MPS-400
terminal block J4.
Figure 14 Wiring to MPS-400
J2
J9
J3
J1
TB2
JP3
JP2
J4
APS-6R to MPS-400.cdr
To battery backup
+-
www.PDF-Zoo.com
firealarmresources.com

Other manuals for Notifier APS-6R

Related product manuals