EasyManua.ls Logo

NTI TFTN - Wiring Schematics

NTI TFTN
116 pages
Print Icon
To Next Page IconTo Next Page
To Next Page IconTo Next Page
To Previous Page IconTo Previous Page
To Previous Page IconTo Previous Page
Loading...
Installation and Operation Manual TFTN 085-199
68
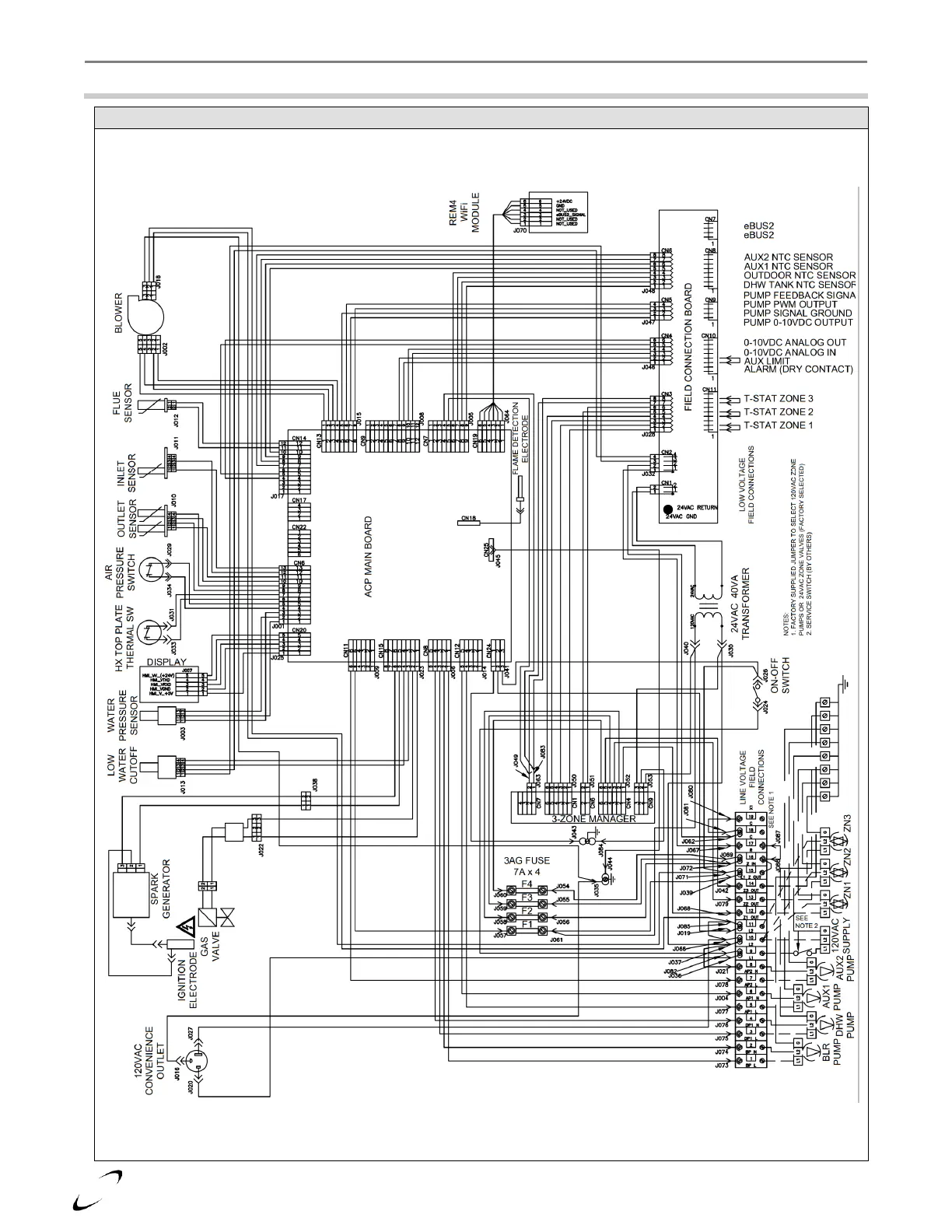
13.0 WIRING SCHEMATICS
Figure 13-1 Connection Diagram

Other manuals for NTI TFTN

Related product manuals