EasyManua.ls Logo

NTI Trinity TX151(C) - 14.0 Wiring Schematics; Connection Diagrams

Default Icon
84 pages
Print Icon
To Next Page IconTo Next Page
To Next Page IconTo Next Page
To Previous Page IconTo Previous Page
To Previous Page IconTo Previous Page
Loading...
Tx I&O Manual Wiring Schematics
57
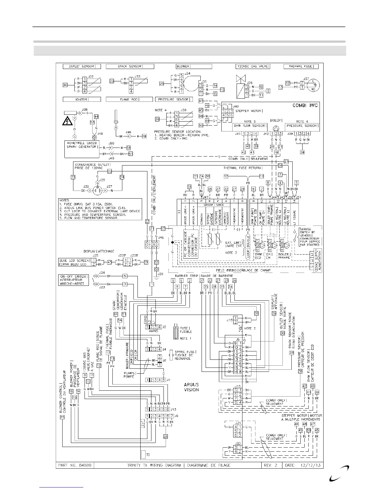
14.0 WIRING SCHEMATICS
Figure 14-1 Tx Connection Diagram

Table of Contents

Related product manuals