EasyManua.ls Logo

Numatic HGB 3045 - Machine Overview; Allgemeine Übersicht

Numatic HGB 3045
60 pages
Print Icon
To Next Page IconTo Next Page
To Next Page IconTo Next Page
To Previous Page IconTo Previous Page
To Previous Page IconTo Previous Page
Loading...
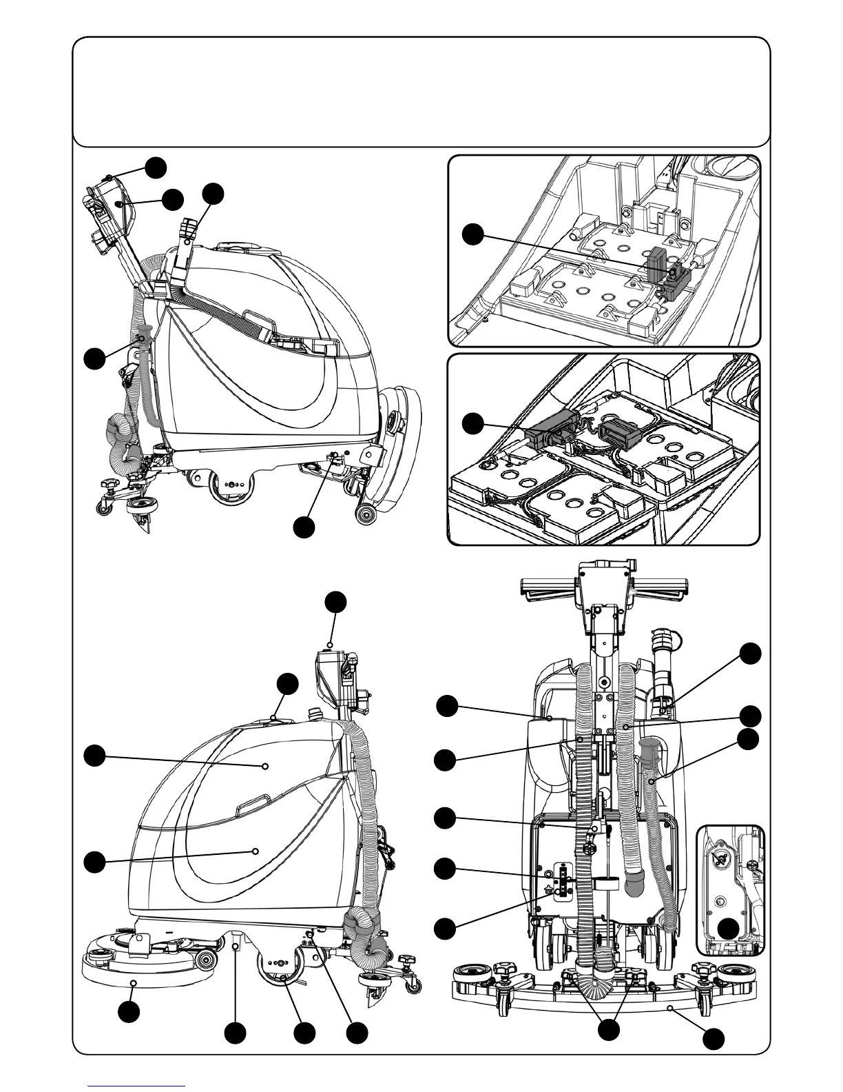
Machine Overview
11
12
1
6
4
2
3
9
8
7
5
10
21
22
14
15
16
17
13
18
20
19
23
23
24
25
TGB 4045/100
TGB 4055/100
TGB4055/100T
HGB 3045/55
HBG 3045/55
TGB 3045/55
HGB 3045/55
HBG 3045/55
TGB 3045/55
Fuses
TGB 4045/100
TGB 4055/100
TGB 4045/100
TGB 4055/100
TGB 4045/100
TGB 4055/100

Table of Contents

Other manuals for Numatic HGB 3045

Related product manuals