EasyManua.ls Logo

Oakton pH 110 - Unit Configuration Settings

Oakton pH 110
76 pages
Print Icon
To Next Page IconTo Next Page
To Next Page IconTo Next Page
To Previous Page IconTo Previous Page
To Previous Page IconTo Previous Page
Loading...
Instruction Manual CyberScan pH 11 / 110
30
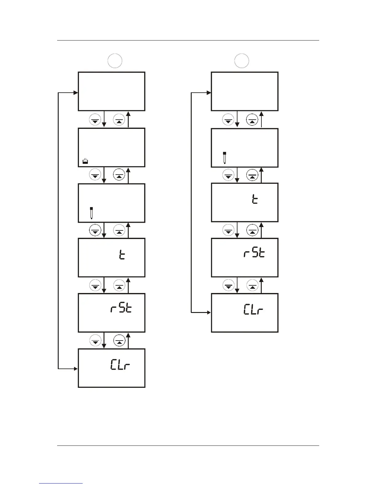
From pH measurement mode From mV measurement mode
SETUP SETUP
MEM
P 1.0 P 1.0
SETUP
pH
CAL
P 2.0
SETUP
ELE
P 3.0
SETUP
COF COF
P 4.0
SETUP
P 5.0
SETUP
P 6.0
SETUP SETUP
MI
MR
MI
MR
MI
MR
MI
MR
MI
MR
MI
MR
MEM
SETUP
ELE
P 3.0
SETUP
P 4.0
SETUP
P 5.0
SETUP
P 6.0
MI
MR
MI
MR
MI
MR
A
A
0
0
This program is
available
only in PH 110 but
not in PH 11.
Figure 28: Setup overview for pH and mV operations

Table of Contents

Related product manuals