EasyManua.ls Logo

ODES UTV Desertcross 1000cc-3 - Page 211

ODES UTV Desertcross 1000cc-3
230 pages
Print Icon
To Next Page IconTo Next Page
To Next Page IconTo Next Page
To Previous Page IconTo Previous Page
To Previous Page IconTo Previous Page
Loading...
10. ELECTRICAL SYSTEM
10-
11
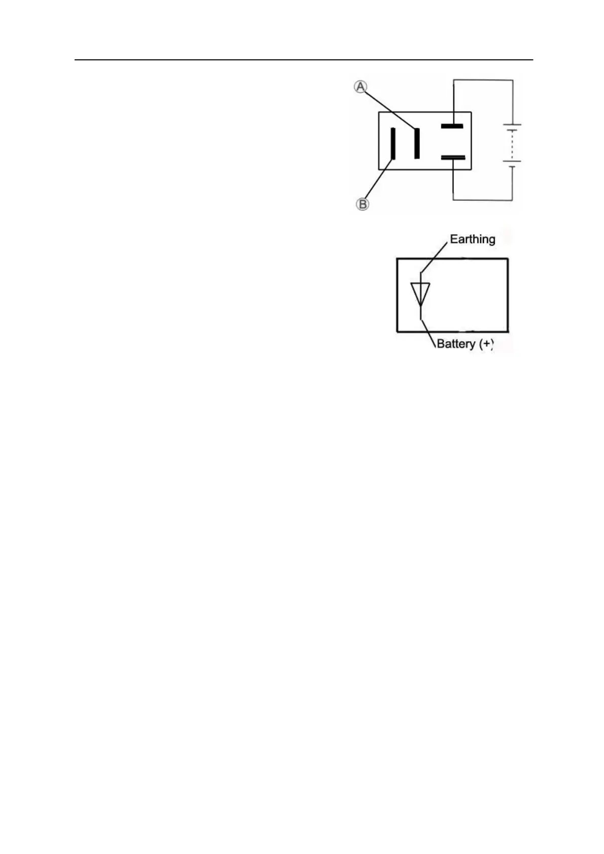
Auxiliary starter relay
Z Apply 12V voltage between the
positive and negative terminals of the
starter relay. Test the connection
between A and B with the multimeter.
Z If the starter relay clicks and is
connected, the starter relay is OK.
Z When there is no voltage of 12V, they
are not connected, the starter relay is
OK.
The multimeter is set to 1x10Ω.
Auxiliary starter relay coil resistance:
90-100Ω

Related product manuals