EasyManua.ls Logo

ODES UTV Desertcross 1000cc-3 - IGNITION SYSTEM

ODES UTV Desertcross 1000cc-3
230 pages
Print Icon
To Next Page IconTo Next Page
To Next Page IconTo Next Page
To Previous Page IconTo Previous Page
To Previous Page IconTo Previous Page
Loading...
10. ELECTRICAL SYSTEM
10-
12
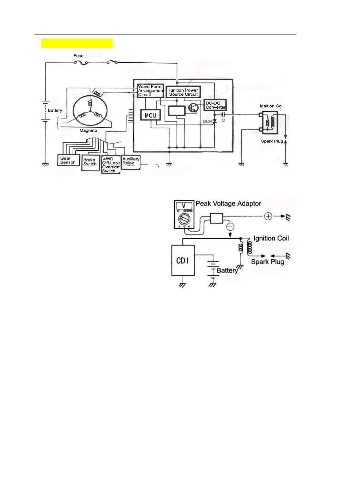
IGNITION SYSTEM
Ignition coil
Primary peak voltage of ignition coil
Z Remove the spark plug cap as shown
in the right figure. Install the new
spark plug to the cap. The cylinder is
connected to grounding.
Z Connect the multimeter and the peak
voltage adapter as follows:
+Probe: Green wire or grounding wire
-Probe: Black / yellow wire
NOTE:
Z Make sure the battery voltage ≥ 12V. The ignition coil wires are connected.
Z When using multimeter and the peak voltage adapter, please refer to the user manual.
Z Move the gear to the neutral position, turn on the ignition device.
Z Press the start button and crank the engine for a few seconds.
Then measure the primary peak voltage of the ignition coil;
Z Repeat the steps above for several times.
Measure the maximal value of the primary peak voltage.
Set the multimeter at the AC voltage position.
Primary peak voltage of ignition coil: ≥150V

Related product manuals