EasyManua.ls Logo

ODES UTV Desertcross 1000cc-3 - Page 213

ODES UTV Desertcross 1000cc-3
230 pages
Print Icon
To Next Page IconTo Next Page
To Next Page IconTo Next Page
To Previous Page IconTo Previous Page
To Previous Page IconTo Previous Page
Loading...
10. ELECTRICAL SYSTEM
10-
13
Note: Do not touch the test probes or spark plug, in case of electric shock.
Z If the voltage is lower than the standard value,
check the ignition coil and coupling coil.
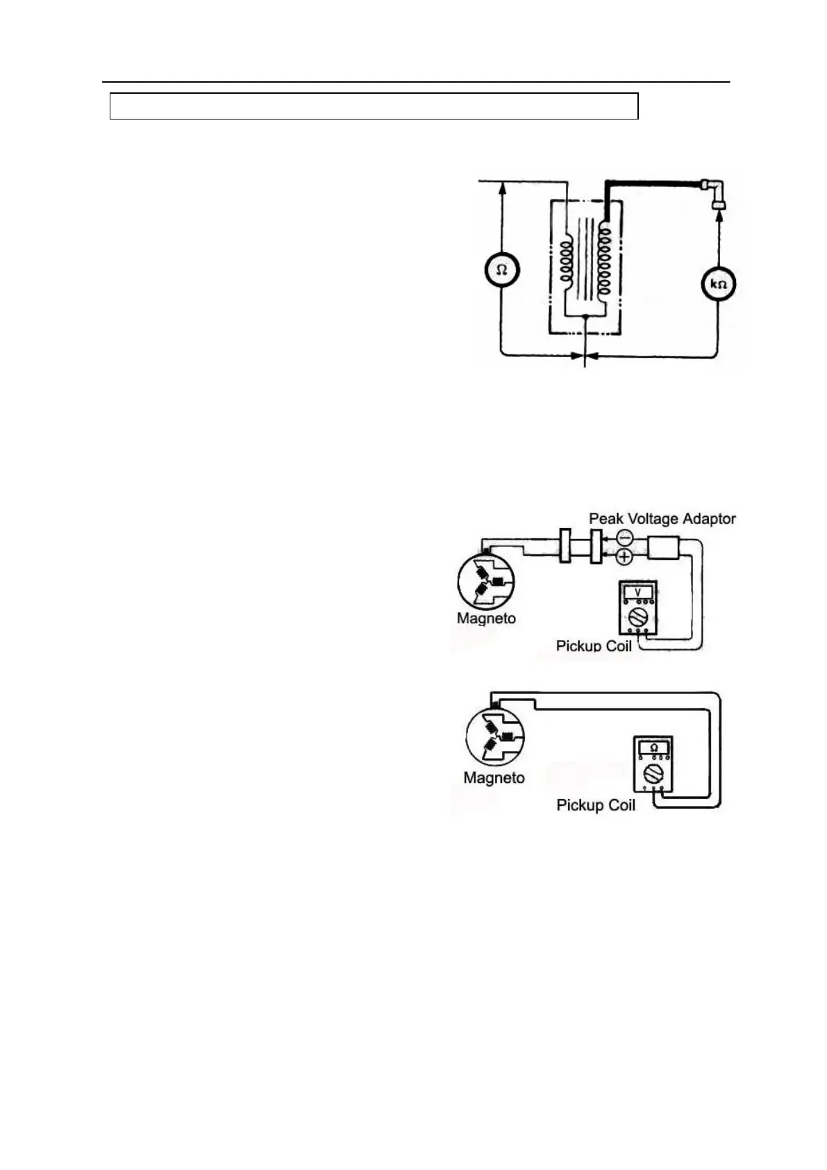
Resistance of ignition coil
Z Disconnect the ignition coil wires and
spark plug cap. Remove the ignition coil;
Z Measure the resistance of the primary and
secondary windings of the ignition coil with
the multimeter. If the resistance of two
coils is close to the specified value, the
ignition coil is in good condition.
Resistance of ignition coil
Primary winding:0.1-1.5 Ω (terminal - ground)
Secondary coil: 12-22KΩ (terminal - spark plug cap)
Peak voltage of coupling coil
Z Check the peak voltage of the coupling coil
with following steps.
Z As shown in right figure, connect the
multimeter with the peak voltage adapter.
+Probe: Green wire
-Probe: Blue wire
Z Move the gear to the neutral position, turn
on the ignition device.
Z Press the start button and crank the engine
for a few seconds, and then measure the
primary peak voltage of the coupling coil;
Z Repeat the steps above for several times.
Measure the maximal value of the primary
peak voltage.
Put the multimeter at AC voltage step.
Peak voltage of coupling coil: ≥4V
Z If the voltage is lower than the standard value, replace coupling coil.
Resistance of coupling coil
The multimeter is put at 1x100Ω step.
Resistance of coupling coil: 120-130Ω
Z If the resistance is not within the specified value, replace the coupling coil.

Related product manuals