EasyManua.ls Logo

Omnicomm Optim 3.0 - Scheme of Connection to the Supply Circuit

Omnicomm Optim 3.0
Print Icon
To Next Page IconTo Next Page
To Next Page IconTo Next Page
To Previous Page IconTo Previous Page
To Previous Page IconTo Previous Page
Loading...
EN
31
Electronic version
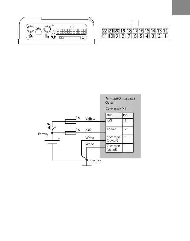
Connecting to the supply circuit and the ignition key
Connection to the supply circuit and ignition key depends on the
fact of availability of a ground switch on the VH and an option to
connect to the ignition key directly.
Figure 1. Terminal Omnicomm Optim Figure 2. Connector Х1
Figure 3. Scheme of connection to the supply circuit in the VH not equipped with the
ground switch

Related product manuals